Friday, May 9th, 2008 AT 9:54 PM
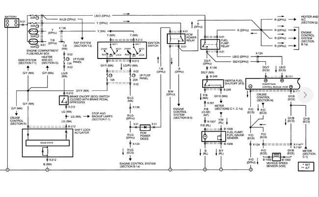
The truck died out and now It won't start. I am not getting anything from the fuel pump. And there is no power going to the fuel pump or the relay. The engine turns over but no power going the fuel system at all. The fuel pump is new and still won't start. All fuses and relay tested good. Please help.



