Tuesday, May 9th, 2017 AT 7:10 PM
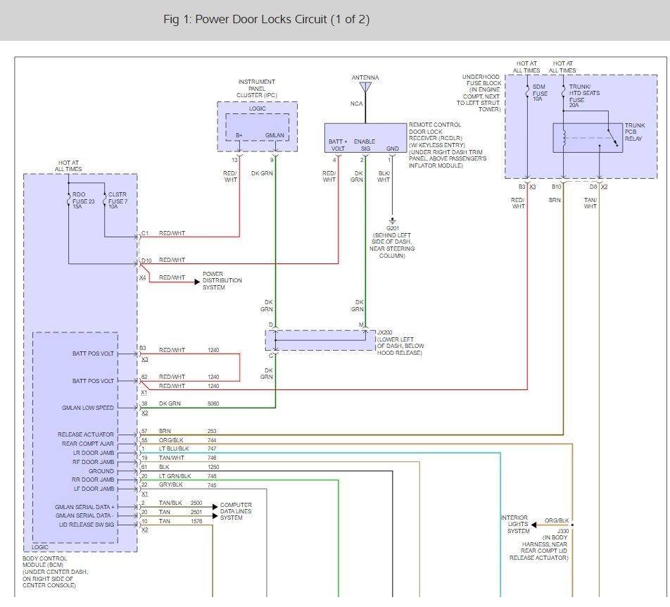
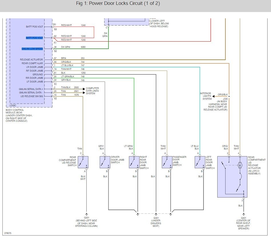
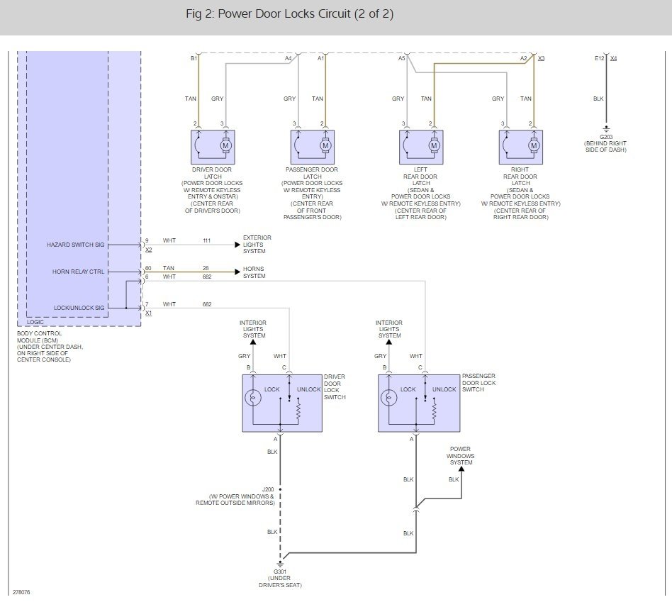
Hello, can you please tell why would the power locking would stop working and would not lock or unlock when press but it will do it on the passage side. Also, the buttons on my remote have stop working, it will not lock or unlock it would not even pop the trunk open. Neither set the alarm off. What should I do to fix these problems?




