Monday, June 1st, 2015 AT 10:58 PM
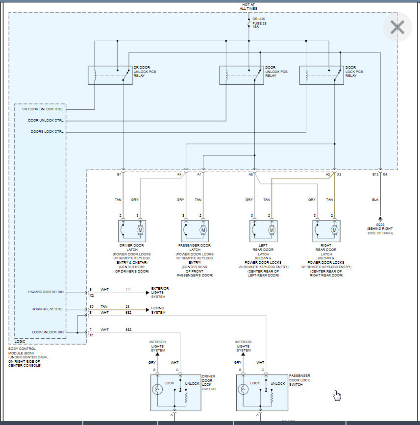
When I push either the drivers door or passenger door power door lock switch to unlock the car doors nothing happens. But when I push the "Lock" side of the switch, all the doors unlock. Sometimes if I push it over and over, they will lock and immediately unlock again. This is only when I push the buttons. They don't do anything when driving. I have heard some people say they lock unlock while driving. Mine just wont lock. I replaced drivers door switch and still same thing.




