Sunday, June 19th, 2016 AT 1:54 PM
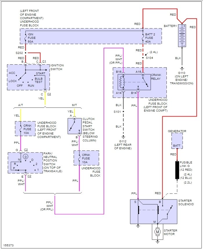
My key switch locked up and I could not turn the car off nor could I get the key out of the switch. I got a new switch already in the lock cylinder and put in in. I did the anti theft process of leaving switch in run position until the anti-theft light stopped blinking, but my car still will not start. Key switch is turning on to start, but engine is making no effort to start? I need advise as to what to do now?



