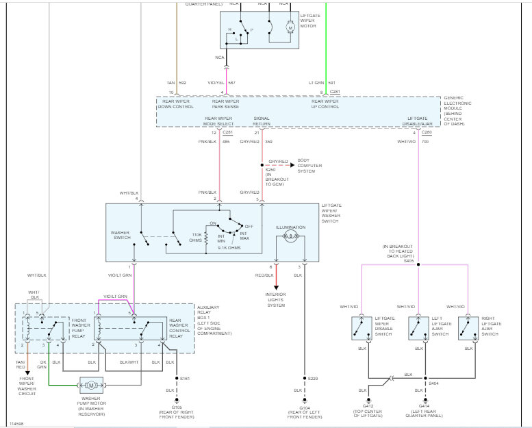
I get a new or rebuilt wiper motor and it works fine for about a month and then stops. I've looked at fuses and relays and all work fine. I do not know where to look next. I don't want to replace it with another only to have it quit working again.
Friday, July 7th, 2023 AT 2:55 PM



