Installing a removable table

Tiny
HUFFY
  • MEMBER
  • 2010 CHRYSLER TOWN AND COUNTRY
  • 3.8L
  • V6
  • 2WD
  • AUTOMATIC
  • 118,500 MILES
I want to install a removable pedestal table, in a 2010 Town & Country minivan. I need to know how much space in between the gas tank & floor so install screws don't go into the gas tank
Wednesday, January 23rd, 2019 AT 6:13 PM

9 Replies

Tiny
ASEMASTER6371
  • MECHANIC
  • 52,796 POSTS
Good evening

There is maybe 2 to 3 inches of clearance.

If I were you, I would drop the tank, install you pedestal and then install the tank back up to prevent the possibility of damaging the tank.

Roy
Was this
answer
helpful?
Yes
No
+1
Wednesday, January 23rd, 2019 AT 6:39 PM
Tiny
HUFFY
  • MEMBER
  • 7 POSTS
Would you use sheet metal screws or would bolting it in be better?
Was this
answer
helpful?
Yes
No
Wednesday, January 23rd, 2019 AT 6:57 PM
Tiny
ASEMASTER6371
  • MECHANIC
  • 52,796 POSTS
Bolting would be the correct way to take the weight and movement while driving.

Roy
Was this
answer
helpful?
Yes
No
+1
Wednesday, January 23rd, 2019 AT 6:59 PM
Tiny
HUFFY
  • MEMBER
  • 7 POSTS
Thanks Roy, You've been a big help.
Was this
answer
helpful?
Yes
No
Wednesday, January 23rd, 2019 AT 7:10 PM
Tiny
ASEMASTER6371
  • MECHANIC
  • 52,796 POSTS
You are welcome

Always glad to help

Roy
Was this
answer
helpful?
Yes
No
+1
Wednesday, January 23rd, 2019 AT 7:56 PM
Tiny
HUFFY
  • MEMBER
  • 7 POSTS
  • 2010 CHRYSLER TOWN AND COUNTRY
  • 3.8L
  • V6
  • 2WD
  • AUTOMATIC
  • 118,500 MILES
I'm wanting to install a removable pedestal table in my 2010 Chrysler Town & Country minivan, And would like to know how much space is between the gas tank & floor for the mounting screws so not to run them in to the gas tank when installing base mounting plate?
Was this
answer
helpful?
Yes
No
Thursday, January 24th, 2019 AT 12:41 PM (Merged)
Tiny
JACOBANDNICKOLAS
  • MECHANIC
  • 110,176 POSTS
Hi and thanks for using 2carpros. Com

Honestly, that isn't listed in any manual, so you are only going to get estimates on the spacing. I will tell you there isn't much more than an inch. I strongly recommend removing the tank before doing this. Not only is the tank a concern, but also fuel lines and wiring.

I suggest a carriage bolt installed from the bottom up. That way there will basically be nothing that can contact the tank or its components. You don't want anything that can poke downward and puncture the tank in the event of an accident.

If you decide to remove the tank, here are the directions specific to removal and replacement. The attached pictures correlate with these directions.

_________________________________________________

2010 Chrysler Truck Town & Country V6-3.8L
Fuel Tank - Removal
Vehicle Powertrain Management Fuel Delivery and Air Induction Fuel Tank Service and Repair Removal and Replacement Fuel Tank - Removal
FUEL TANK - REMOVAL
REMOVAL

Pic 1

WARNING: The fuel system is under constant pressure even with engine off. Before servicing any part of the fuel system, the pressure must be released.

1. Remove fuel cap.
2. Release pressure in fuel system, See: Fuel Pressure Release > Procedures > Fuel System Pressure Release Procedure.
3. Remove hose clamp (1) and remove fuel fill hose from fuel tank.

Pic 2

4. Disconnect fuel pump electrical connector from body harness connector.

Pic 3

5. Disconnect fuel line quick connect fittings (1) and evaporator hose (2).

Pic 4

6. Disconnect electrical connector (1) from evaporative system integrity monitor (ESIM) switch (2).
7. Disconnect fuel fill vapor hose (4) from fuel tank control valve hose.
8. Disconnect fuel fill vapor hose (3) from ESIM switch (2).

Pic 5

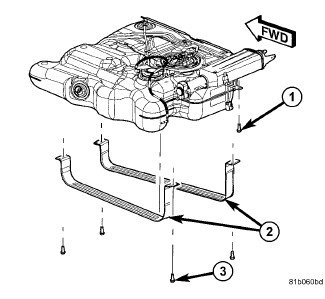
WARNING: Support fuel tank with a transmission jack or equivalent. Use straps to secure the fuel tank to the jack. Failure to properly support and secure the fuel tank during removal may cause fuel to spill or fuel tank to fall from jack assembly.

9. Remove fuel tank strap bolts (3) and straps (2).
10. Remove vapor canister bracket bolt (1).
11. Lower the fuel tank.

Pic 6

12. Disconnect evaporator quick connector (1) from vapor line.
13. Disconnect evaporator quick connector (3) from fuel tank control valve.
14. Remove vapor canister filter (2).
15. Remove fuel pump module, See: Fuel Tank > Removal and Replacement > Fuel Tank - Removal.
16. Remove all fuel and vapor lines from fuel tank.
17. Transfer fuel into an approved fuel storage container.

________________________________________________

Replacement

FUEL TANK - INSTALLATION
INSTALLATION

Pic 7

1. Install all fuel and vapor lines to fuel tank.
2. Install fuel pump module, See: Fuel Tank > Removal and Replacement > Fuel Tank - Installation.
3. Install vapor canister filter (2).
4. Connect evaporator quick connector (3) to fuel tank control valve.
5. Connect evaporator quick connector (1) to vapor line.

Pic 8

WARNING: Support fuel tank with a transmission jack or equivalent. Use straps to secure the fuel tank to the jack. Failure to properly support and secure the fuel tank during removal may cause fuel to spill or fuel tank to fall from jack assembly.

6. Position fuel tank onto a transmission jack or equivalent and raise fuel tank into vehicle position.
7. Install vapor canister bracket bolt (1). Tighten to 55 Nm (40.5 ft. Lbs.).
8. Install straps (2) and fuel tank strap bolts (3). Tighten to 55 Nm (40.5 ft. Lbs.).

Pic 9

9. Connect fuel fill vapor hose (3) to evaporative system integrity monitor (ESIM) switch (2).
10. Connect fuel fill vapor hose (4) to fuel tank control valve hose.
11. Connect electrical connector (1) to ESIM switch (2).

Pic 10

12. Connect fuel line quick connect fittings (1) and evaporator hose (2).

Pic 11

13. Connect the body harness connector.

Pic 12

14. Install fuel fill hose and hose clamp (1) to fuel tank. Tighten hose clamp (1) to 28 Nm (20.5 ft. Lbs.).
15. Fill fuel tank and install fuel cap.
16. Use the scan tool ASD Fuel System Test to pressurize the fuel system. Check for leaks.

Let me know if this helps. Also, make sure to disconnect the battery when doing any work on or around the fuel tank.

Take care,
Joe
Was this
answer
helpful?
Yes
No
+1
Thursday, January 24th, 2019 AT 12:41 PM (Merged)
Tiny
STEVE W.
  • MECHANIC
  • 15,269 POSTS
I did something similar to this in the company vans I used to drive. However I made a bracket out of steel that bolted between the factory front passenger seat mounts.
If you are mounting it in the rear you could do something similar and bolt it to existing fasteners. That would eliminate and worry about damage and it would allow it to be removed easily if needed.
Was this
answer
helpful?
Yes
No
+1
Thursday, January 24th, 2019 AT 12:41 PM (Merged)
Tiny
STEVE W.
  • MECHANIC
  • 15,269 POSTS
If you intend to bolt it to the floor you really should drop the tank as the tank is almost flat against the floor in places. That would allow it to be bolted using a through bolt and you can see where the tank sets and avoid problems.
Was this
answer
helpful?
Yes
No
+1
Sunday, February 3rd, 2019 AT 3:26 PM

Please login or register to post a reply.