Tuesday, December 24th, 2019 AT 10:26 AM
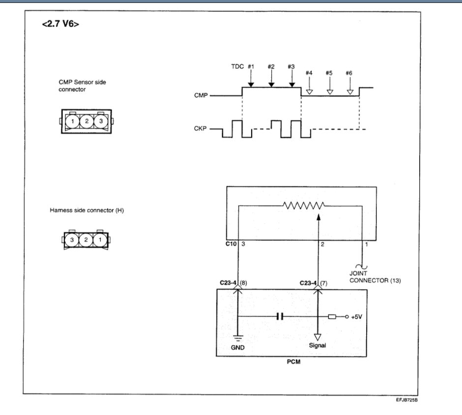
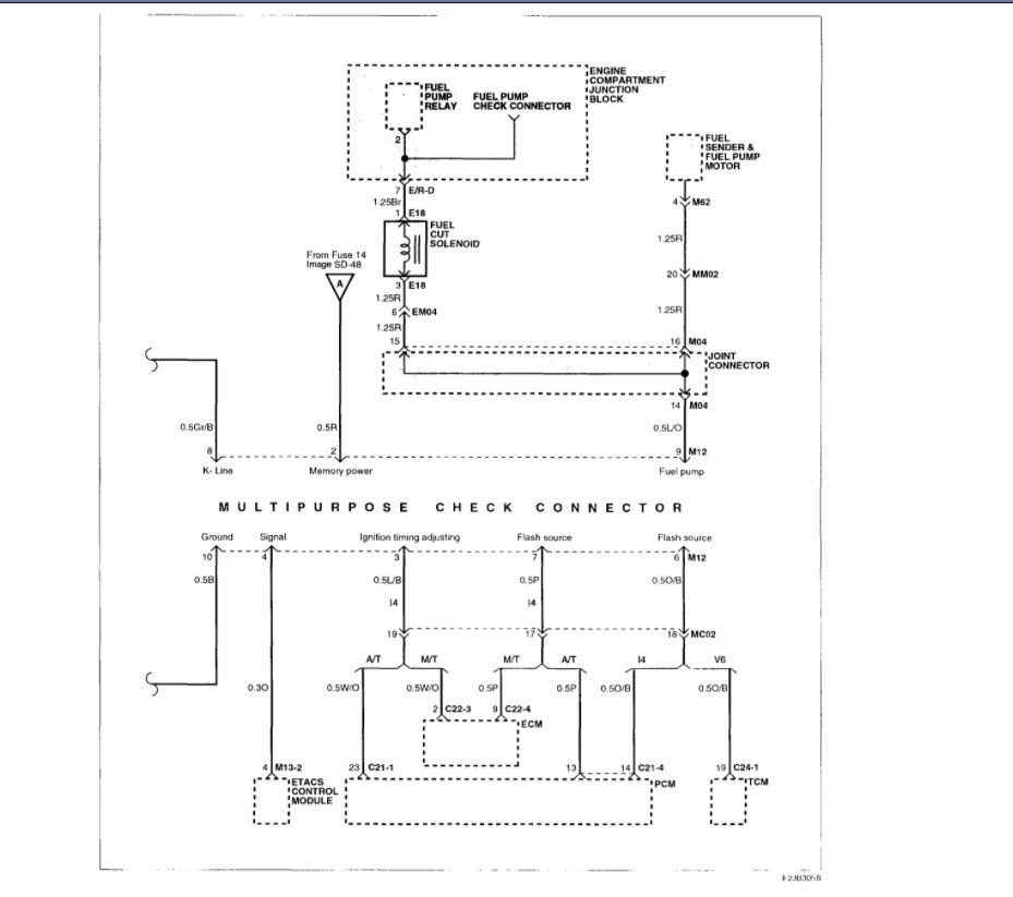
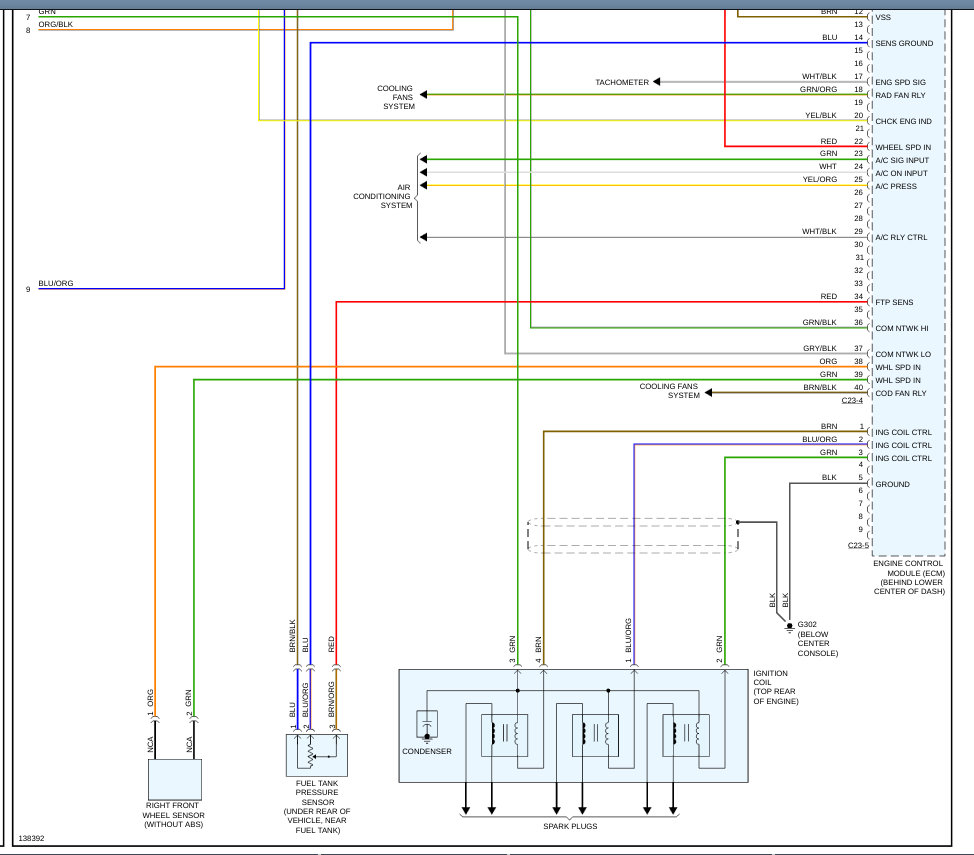
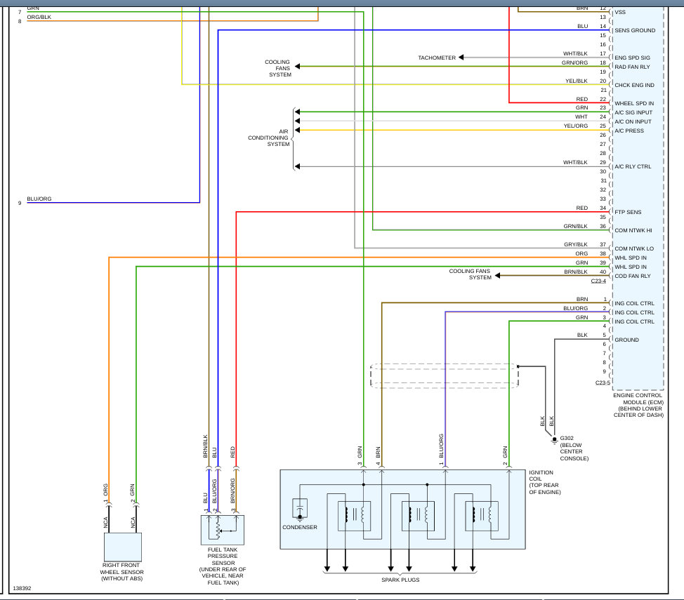
Was running okay. Very slow water leak. Took heads to machine shop pressure tested good and had surfaced. Installed heads with new gaskets, bolts. Compression is 160 on all cylinders. No spark, no fuel, no start. Fuel pump has fuel at injector rail. Injectors read 14 ohms, injector plug reads 24 volts. Camshaft sensor reads 10 volts. Timing marks are correct on crank and cams. Any ideas would be greatly appreciated.















































