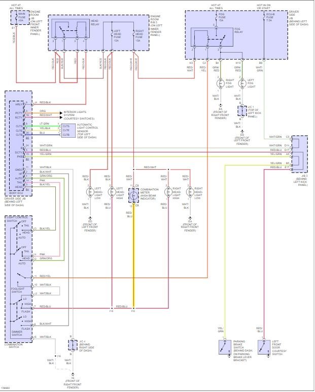
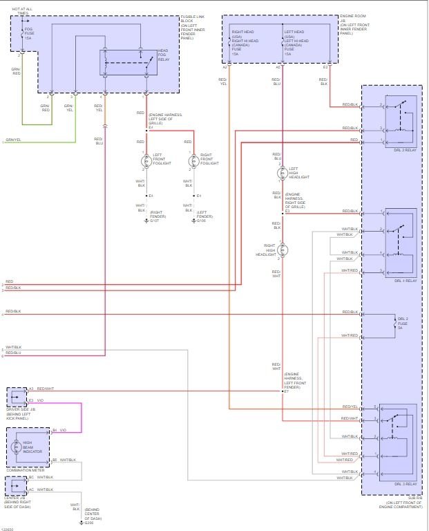
Hi,
My high beams do not work. I checked the fuses and DIM relay, they look okay.
My problem is similar to https://www.2carpros.com/questions/toyota-camry-1999-toyota-camry-high-beams
Please tell me how to test the dimmer switch and the light control switch on my model.
Thanks
My high beams do not work. I checked the fuses and DIM relay, they look okay.
My problem is similar to https://www.2carpros.com/questions/toyota-camry-1999-toyota-camry-high-beams
Please tell me how to test the dimmer switch and the light control switch on my model.
Thanks
Apr 15, 2018 at 5:26 AM








