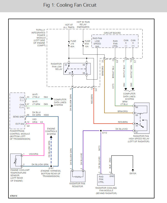
Tuesday, October 22nd, 2019 AT 9:49 AM
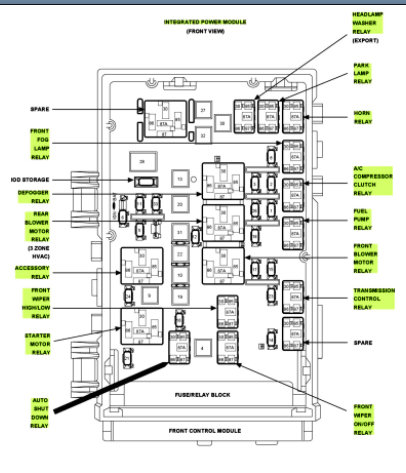
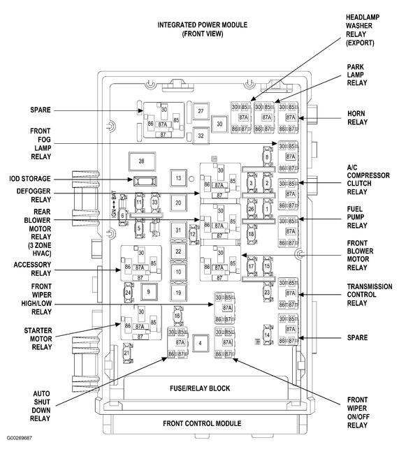
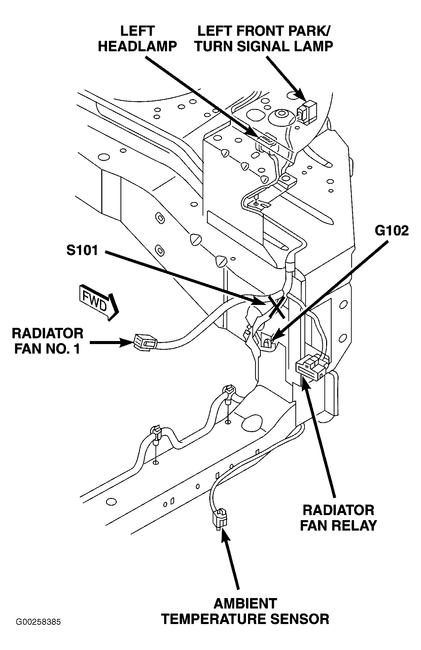
The high fan doesn't work. I replaced the radiator fan fuse and it worked for a day. The fuse is no other blown and the low fan works. Is there a high radiator fan relay and if there is, where is it located?































