Saturday, August 20th, 2022 AT 12:29 PM
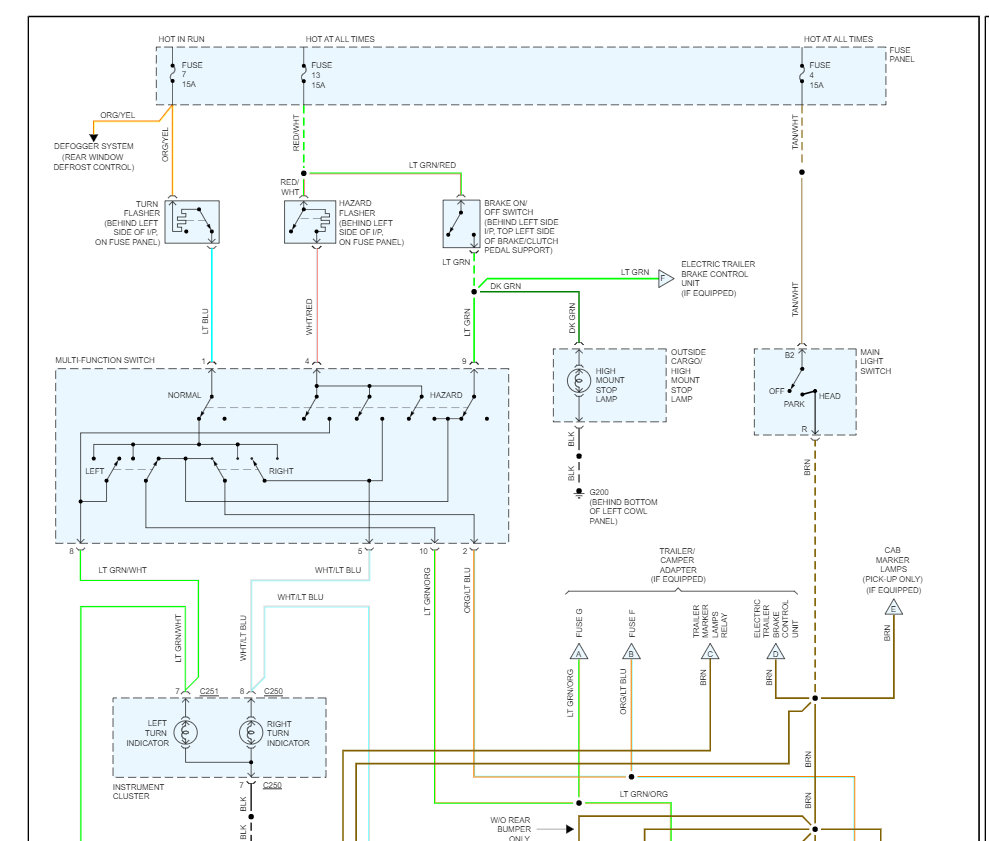
My hazards have been out for a while but recently my turn signals stopped working. All other lights functioning as normal (except one tag light) I replaced the MFS and the flasher on the dash fuse panel. No luck Fuse 13 is hot always and 7 is hot in run. Looking at the schematic, it looks like there may be two separate flasher modules. Is this correct? If so, I can't find the second one. I am just starting to check wiring. Seems odd they would stop working seperately. Thanks for any help you can offer. Jim







