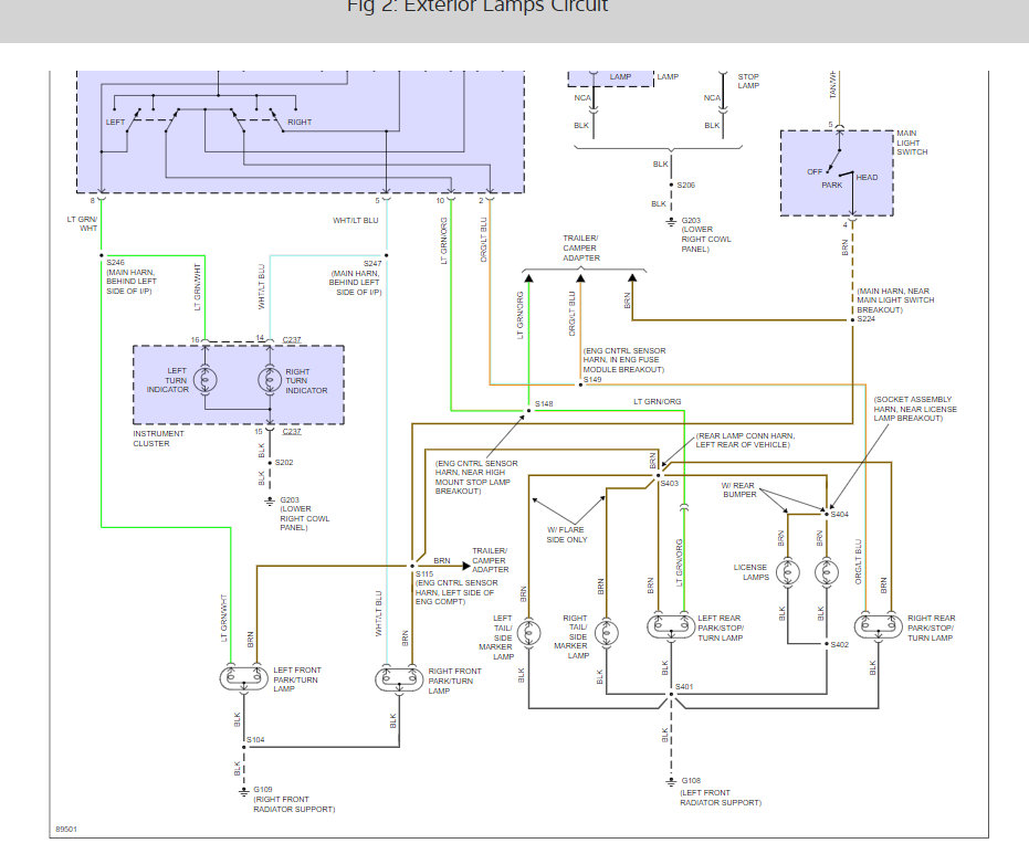
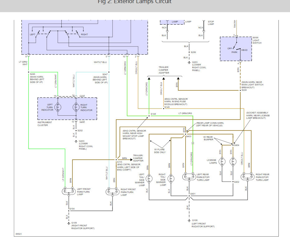
Thursday, July 1st, 2010 AT 8:34 PM
Hi, im having a problem with my 99 f150 ext cab. When I have my my headlights on my right blinker wont blink. Can anyone help me out with this issue?








