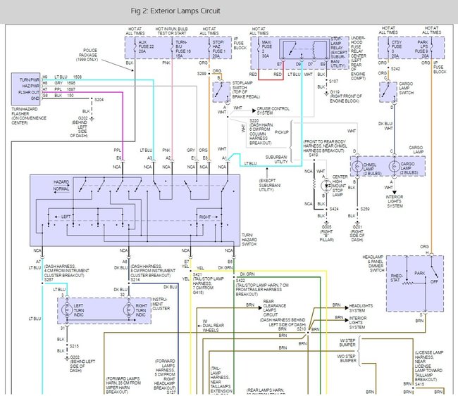
check both fuses under the dash and under the hood both good but still replaced the bulbs are good but still replaced, replaced the brake light switch and still no brake lights,
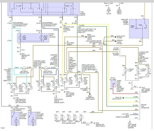
the tail lights, back up lights and directionals still work,
also no cruise control and that fuse is good.
Wednesday, May 19th, 2010 AT 8:53 PM





















