Tuesday, April 9th, 2024 AT 9:14 AM
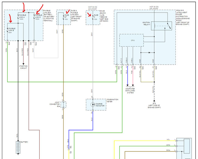
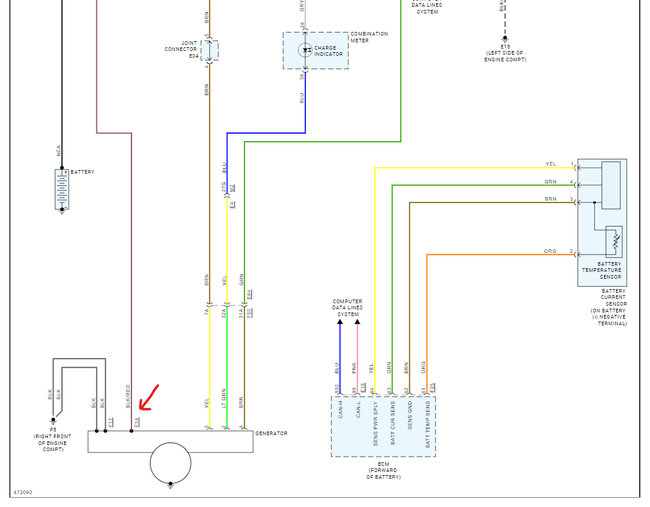
The battery cables are corroded, and need changed but my car quit running, and no one could charge it unless they put the cables directly on the fusible link. I've been told this could be multiple things. Well, now the car will start and run however long until you turn it off and charge it like I had mentioned. But now it seems to shut off when taking a hard left. Can anyone explain what is really causing the issue?


