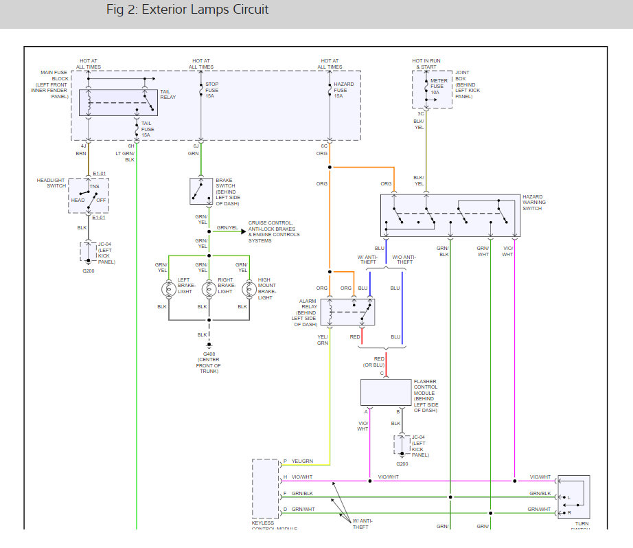
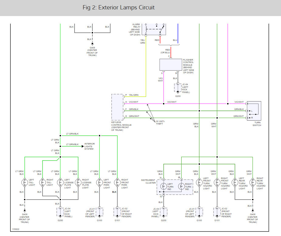
I have found one blown bulb and pulled it from system. I have checked all exposed wiring for direct shorts to frame and found nothing. All other bulbs are good and bulb sockets are clean and undamaged.
Any ideas of where to start a more thorough exam? Any short cuts you can think of that are prone to this model?
Sunday, April 27th, 2014 AT 1:43 PM



