Wednesday, November 25th, 2020 AT 10:20 PM
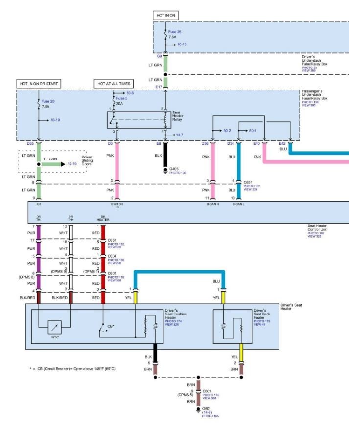
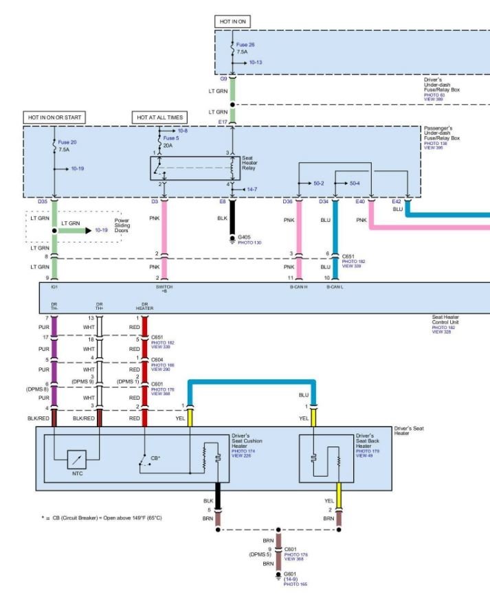
The driver's side still heats up beautifully but the passenger won't turn on at all. The indicator light turns off after less than a second, and no heat whatsoever. I checked the fuse and it seems fine, not to mention that the fuse diagram implies that the fuse listed would apply to both the driver as well as passenger seats, and since the driver side still heats up I assume it can't be the fuse. I don’t see any issue with the wiring under the seat, but I'm hoping for a solution other than replacing the entire heating element within the seat itself. Any suggestions?






























