Friday, August 13th, 2021 AT 7:22 AM
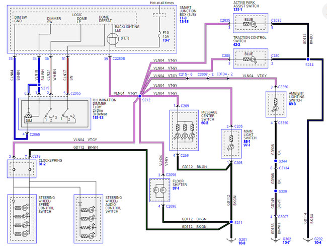
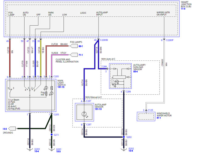
Replaced front right headlight harness and bulb after accidentally ripping the A/C compressor wiring out of the connector and fixing that (A/C compressor works now) but then noticed this headlight doesn’t work so after looking at it further noticed it was burnt up. So I need harness and bulb installed but only will work when the left side bulb is unplugged. Can you please help with this?








