Monday, November 7th, 2022 AT 11:45 AM
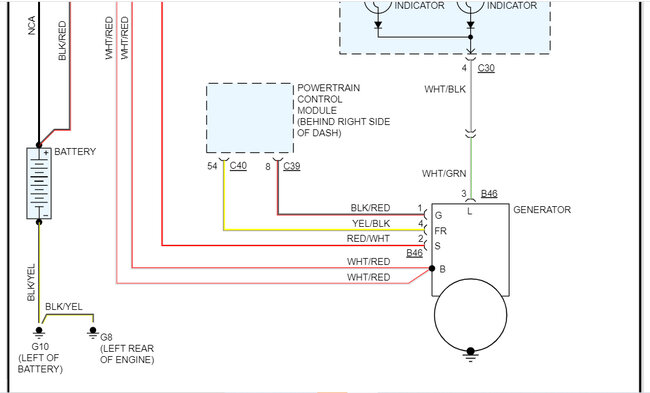
My car listed above quit working the other day as I was taking my friend to work. It started acting up and wouldn't accelerate normally, so I had my dad come jump the car we got it to start after about 10 minutes of it being hooked up then about a mile and a half later it started acting up again. So, we jumped it a second time and it took about 25 minutes this time. We took the battery and alternator to AutoZone they said they were both fine, just that the battery is drained. Now I've stumped any ideas?








