Sunday, November 12th, 2017 AT 10:48 PM
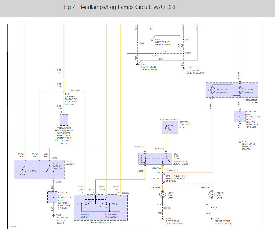
No key in ignition turn headlight switch on all lights on (normal). Turn switch off headlights (only) stay on, no running lights, no tail lights. Insert key start car, headlights go off. Leave engine running and turn headlight switch on and then turn switch back off the headlights (only) stay on, even after turning car off. Turn car on again the headlights go off. To add insult to injury, the other morning I go to check if headlights are on and they are not, but the dome light is on (in the twelve second delay mode) and it goes out before I get to the car! Battery is draining overnight (I am assuming because of this mystery problem).






