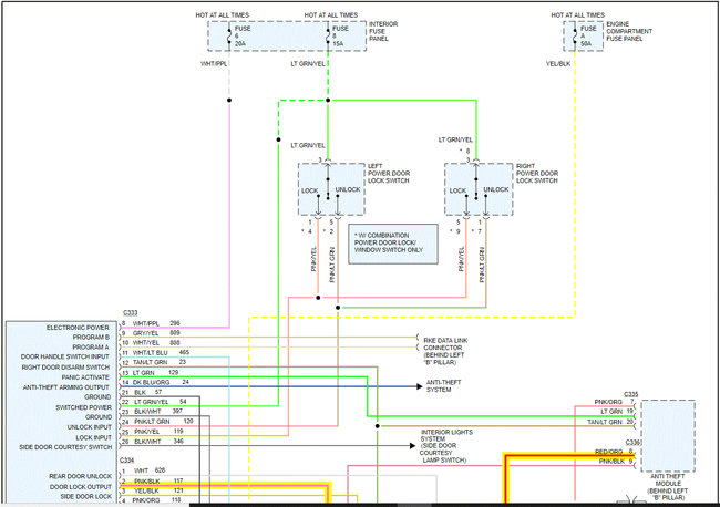
I have also, disconnected the plug under the actuator and I see 12 volts on one side when locking, but not on the other red/orange wire when unlocking.
I have located the anti-theft and remote keyless entry module which both have red/orange wires in their harnesses. Neither one outputs 12-volts when pressing the unlock button.
I'm wondering if this means the problem is with the remote keyless entry module.
Also, I was wondering if you had the diagrams for this system?
Thanks!
Tuesday, October 12th, 2021 AT 7:27 PM

