Friday, September 8th, 2023 AT 8:50 PM
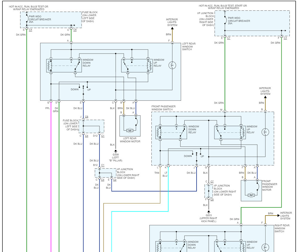
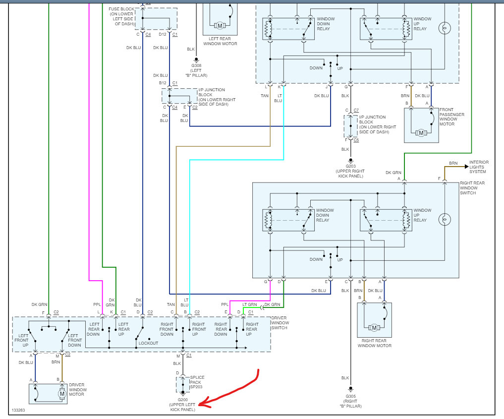
Okay, so my vehicle listed above z71, all the windows work except driver side. I have power on the brown wire while pushing switch, but nothing on the dark blue wire. I can switch the wires by unpinning them from the connector and the window will roll down. I can unpin them again swap sides and it will roll up brand new switch and window motor and regulator window is not binding does the same thing if I take motor and regulator assembly out of the door and just leave it hooked up. I'm lost.


