Sunday, October 17th, 2021 AT 1:05 PM
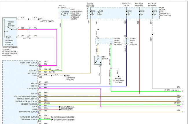
The driver side door lock will not work with the key fob or door lock switch. There is one lock/unlock switch on the driver door that locks/unlocks all the doors on the car. The key fob and switch does lock/unlock the other three doors perfectly. I replaced the driver door lock actuator with a new unit, and it still does not work electronically. I tested the pins with a 9-volt battery on the door lock actuator and I can see the little motor move. Is there a fuse or a relay that controls this driver door lock directly?









