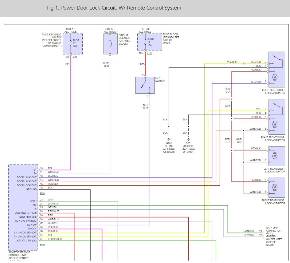
The power door lock buttons on my driver and passenger doors and on the key fob don't lock or unlock the doors. Everything else works. The trunk will release, the windows work, the lights flash when the buttons are pushed, just no locking or unlocking. There's a box under the driver side dash (under the steering column, not in the fuse box, by the way) that clicks when any door lock button is pushed (driver and passenger doors or on the key fob). What is causing the lock mechanism not to work and how can I fix it?
Wednesday, December 2nd, 2009 AT 1:28 PM


