Cruise Control doesn't work?

2003 CADILLAC DEVILLE
131,000 MILES • 4.6L • V8 • FWD • AUTOMATIC
Avatar
JAREDR123
  • MEMBER
  • 29 POSTS
I have a 2003 Cadillac Deville with 131000 miles on it. All of a sudden my cruise control wasn't working after I got an oil and air filter change. When it worked, I would click it on the steering wheel and then click set at the speed I wanted and it would usually go down a couple mph and then set. But now it doesn't work it all. When I click on it the steering wheel the little orange light still comes on and when I click set the cruise light still comes on in the dash, but it just doesn't engage into cruise. It will start coasting like nothing happened. What could this possibly be and how much would it cost to repair? I might have to take my car on a 2300 mile round trip next week to Florida so it would be nice to have it fixed. Thank you!
Mar 10, 2016 at 8:58 PM
Advertisement
Avatar
CAR-MAN145
  • CERTIFIED EXPERT
  • 321 POSTS
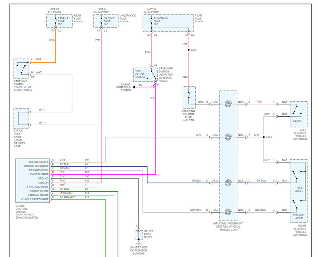
Check to make sure your brake lights are working right. If so it sounds like the clock spring in the steering wheel is out which is common but to be sure here is a guide to help check the writing with the cruise control wiring diagrams below so you can see how the system works and to be able to test the connections.

https://www.2carpros.com/articles/how-to-check-wiring

There are three fuses that run the system this guide will help you test the fuses with the fuse location below as well.

https://www.2carpros.com/articles/how-to-check-a-car-fuse

Check out the diagrams (Below). Please let us know what you find. We are interested to see what it is.
Mar 11, 2016 at 12:29 AM
Avatar
JAREDR123
  • MEMBER
  • 29 POSTS
Brake lights are working correctly and the cable is connected. Anything else?
Mar 11, 2016 at 7:02 AM
Advertisement
Avatar
CAR-MAN145
  • CERTIFIED EXPERT
  • 321 POSTS
Need to hook a scanner up to see what its doing when you push the buttons, you may have to have a mechanic look at it. Sorry
Mar 11, 2016 at 4:17 PM
Avatar
LANDON PARKER
  • MEMBER
  • 3 POSTS
I have a 2000 Cadillac De Ville that has developed a few electrical problems. All fuses have been checked.

Cruise control stopped working. You can hold down the steering wheel button and the light comes on and the cruise works if you keep holding down the button. If you release it the cruise quits.
Oct 26, 2020 at 12:24 PM (Merged)
Advertisement
Avatar
FACTORYJACK
  • CERTIFIED EXPERT
  • 4,159 POSTS
#1 could be an issue with logic lock of the memory seat module, since all seat functions go through it. You can either disconnect the battery cables and short(touch) them together for a minute or so, or remove the power to the module by removing the power seat circuit breaker in the rear fuse block. Do the power mirrors/tilt wheel function, even when a memory button is pressed? The seat heater is another story, these vehicles had issues with the seat heater elements, so much so that there was a service bulletin on the matter.

If you have to press on the power button and hold it to get the cruise to function, but when you let it off the LED goes out, the switch appears faulty.

And on the rear heat, is it an issue with no blower, or is there no warm air?
Oct 26, 2020 at 12:24 PM (Merged)
Avatar
LANDON PARKER
  • MEMBER
  • 3 POSTS
Did the trick with the battery cables and it fixed the seat adjustment problems. Thanks a lot for that one. Really uncomfortable driving in the position in which it was stuck.

The rear seat blower works fine and functions with the A/C. Just doesn't produce heat.

Thanks
Oct 26, 2020 at 12:24 PM (Merged)
Avatar
FACTORYJACK
  • CERTIFIED EXPERT
  • 4,159 POSTS
It is all produced through the same core, there is no auxiliary. I would suspect an auxiliary blend door actuator at this point. This being a 2000, you have on-board diagnostics at your disposal, at least to read codes. If you turn the key on, and press info up and on-off buttons, after a few seconds all the VF segments will light. After the segment check, it will read ALL? on the info center. Press on/off again and it will read ALL CODES?. Press on/off again, and record the codes, and repost. I can't remember what auxiliary HVAC codes are stored in, as far as a module, so report them all. You can do it as many times as necessary, just turn the key off, and re-enter diagnostics when you need to.
Oct 26, 2020 at 12:24 PM (Merged)
Avatar
FACTORYJACK
  • CERTIFIED EXPERT
  • 4,159 POSTS
There is more information I can add. The codes are going to be stored in the IPM(instrument panel module). You should see something like B0428/429. After you process the request ALL CODES?, the modules will report in alphabetical order. Coincidentally, before I went home tonight, I got a 2005 Deville with warm air only out of the auxiliary(rear) vents. It had a current B0429, and I am going to recommend actuator replacement.
Oct 26, 2020 at 12:24 PM (Merged)
Avatar
LANDON PARKER
  • MEMBER
  • 3 POSTS
I fixed it by replacing the clock spring under the steering wheel this guide helped me

https://www.2carpros.com/articles/steering-wheel-clock-spring-removal


Oct 26, 2020 at 12:24 PM (Merged)
Avatar
CADIEMAN
  • CERTIFIED EXPERT
  • 3,544 POSTS
Good to hear, please use 2CarPros anytime we are here to help.
Oct 26, 2020 at 12:24 PM (Merged)
Avatar
SEAN03
  • MEMBER
  • 523 POSTS
I have a 1992 cadillac deville and the cruise control will not work and the light on the display wont come on either. I was wondering is their a way to check the servo plug in conector. Also is their a way to see if the servo electrical parts are bad. Would the plug or the servo cause the cruise control not to work. Thanks.
Oct 26, 2020 at 12:25 PM (Merged)
Avatar
CARADIODOC
  • CERTIFIED EXPERT
  • 34,308 POSTS
Of course the cruise won't work if the servo has a problem, but when the dash light doesn't even turn on, the system isn't even trying to run the servo. A more common problem is a broken clock spring. That's a wound-up ribbon cable in a plastic housing under the steering wheel. As it continues to break, the horn will also stop working and the air bag light will turn on.

The most efficient way to diagnose this is with a scanner that displays live data. Under "Inputs / Outputs" it will show the brake and cruise control switches and whether they're on or off.
Oct 26, 2020 at 12:25 PM (Merged)
Avatar
SEAN03
  • MEMBER
  • 523 POSTS
When you say broken clock spring does that mean it looks like a airbag inside the spring. Also when you say the plastic housing is under the steering wheel does that mean I have to take the steering wheel off or is it under the steering wheel collum. where can I get a scanner that displays the live data and what is the name of the scanner. Also do you have any diagrams or pictures to help. If not thats ok thanks for any help.
Oct 26, 2020 at 12:25 PM (Merged)
Avatar
CARADIODOC
  • CERTIFIED EXPERT
  • 34,308 POSTS
In the days before air bags, the connection to the horn button was made by what looked like a brass nail with a spring pushing it up to make contact with a brass ring under the steering wheel. That was sufficient for a horn. A wire would twist and break within a few days so that movable contact avoided that. There could be some dirt or grease get between those contacts and cause intermittent operation but the sliding action of turning the steering wheel would always overcome that and at worst, the horn would honk a few milliseconds after you pressed the button.

Those few milliseconds are not acceptable when referring to an air bag system. The timing of when it pops is critical to its performance and you can't rely on a sliding contact so the electrical connection has to be hard-wired. That's where the ribbon cable comes in. They do not normally break from repeated flexing. They're what's used in laptop screens and anything else that opens and closes a lot.

The air bag computer constantly monitors the integrity of the electrical connection to the air bag in the steering wheel. With the ignition switch on, the slightest momentary break in the circuit would set a diagnostic fault code and turn the system off. That won't happen when a ribbon cable is used. It's about four feet long and coiled inside the housing so it expands and contracts smoothly as you turn the steering wheel. As long as there are two wires in it for the air bag, it's no big deal to add two more wires for the horn and two more for all of the cruise control switches.

A sure-fire way to break a clock spring is to turn the steering wheel when the shaft is disconnected, as in when replacing a rack and pinion assembly or doing some other similar repair. If your steering wheel will turn four revolutions from full-left to full-right, the clock spring will be built to rotate about five revolutions to give it a little safety margin. It's important that the steering system be centered when a new clock spring is installed, as they always come locked in the centered position. If the steering system is one revolution to the side when you install a new clock spring, it will already be one turn off-center when you bring the steering back to center to drive straight ahead, then, when you have to make a turn all the way left or right, the clock spring will reach the end of its travel and be tugged off the rivets at the end where it makes the electrical connection, or it will expand too much and flip over on itself. After doing that a few times it will crack at the end of the cable. Even when it's installed correctly, it's only a matter of time before that ribbon cable will break.

There are many other causes of a dead cruise control. There's "inputs" to the computer that you control with switches, and there's "outputs" the computer controls to make the system work. When an output circuit has a problem, the inputs will still work and the "cruise" light on the dash will turn on when it should. When the light doesn't turn on, you know it's most likely an input problem. The exception would be when the computer monitors the output circuits, detects a problem, and won't let you turn the system on. The typical response is different though. In a case like that, the light usually turns on for a few seconds, then turns back off on its own.

Other things to consider include the brake light switch. Most systems have two or three switches built into one assembly. The part for the brake lights turns on when you press the brake pedal to turn the lights on. The part for the cruise control is normally on and turns off when you press the pedal. That way a bad connection, (or switch slightly out-of-adjustment) will make the system not work or not even turn on. If that part of the switch worked like the part for the brake lights, and it had a bad connection, the cruise would not kick out when you tapped the brake pedal. That would be a safety concern.

You might be able to borrow a scanner from an auto parts store that rents or borrows tools. The factory scanner for GM products was the Tech 2. Many independent shops have them too but they are required to keep on buying new versions every few years and they're very expensive so many shops buy aftermarket brands that work on more car brands and cost less to update every year. Aftermarket scanners always do only about 80 percent of what the factory stuff does but they do it on more brands of cars. For '96 and newer cars, many shops bought the Chrysler DRB3 because with an extra, small plug-in card it will work on any car sold in the U.S., but just for emissions-related stuff. It may work for the cruise control because that's part of the Engine Computer which is primarily concerned with emissions.

You may have to visit a shop and ask if they have a scanner that will work on your car and display the switch status for your cruise control. The Chrysler scanner will also show the "reason for last cutout". If you drive into a shop's parking lot and stop the engine, you can expect the "reason" to be the ignition switch was turned off. If you left the engine running, the reason would be you pressed the brake pedal before you shifted into "park". Even if you coasted to a stop and left the engine running, the reason would be vehicle speed was below the minimum threshold for the system to engage. You get the idea. Those are all proper conditions for the cruise to not work. This feature becomes useful when the cruise kicks out intermittently such as when driving on bumpy roads. If it kicks out, and the reason listed is "on / off switch turned off", you would look at the clock spring and wiring in the steering column for an intermittent connection. If the reason was "vehicle speed too low", you might suspect the speed sensor. If the reason listed was "brake pedal applied", you'd suspect the brake light switch was out-of-adjustment. This information will at least narrow down which circuit to look at to find the cause of the problem.

When you have a hard defect such as yours, the scanner will show the switches and whether they're on or off. Some switches are supposed to be off for the cruise to work, so the Chrysler scanner and I suspect many others avoid confusion by displaying them as "pressed" or "released" instead of on or off. If you see the on / off switch displayed as "off" even though you're pressing the button, you can suspect the clock spring. All the other cruise control buttons use the same two wires in the ribbon cable so if the "set" or "resume" functions work, the clock spring is okay and you would suspect the individual buttons in the steering wheel. Those individual switches do go bad on occasion but not nearly as often as the clock spring.

You can also check for stored diagnostic fault codes with the scanner. Most cruise control servos have three solenoids and each one is monitored for continuity. One opens the port for engine vacuum to enter and pull on the rubber diaphragm to increase speed. One vents that vacuum to reduce speed. The dump solenoid disengages the servo instantly when the brake pedal is tapped. If an electrical problem is detected with any of those circuits, the computer knows it can't control vehicle speed properly so it won't turn the system on.

Most factory scanners also have a series of "actuator" tests that let you operate injectors, ignition coils, relays, and warning lights to see if they work. They don't work for the cruise control while the engine is running, but with the engine off and ignition switch on, you can often operate the solenoids in the cruise control servo and listen for the clicking sound when they activate. If all of them operate and there's no stored diagnostic fault codes, the problem is usually in the switches or clock spring. If all of the inputs are working and the dash light turns on, the last suspect is a cracked or dry-rotted vacuum hose going to the servo, or the throttle cable is broken or disconnected.

When it comes to replacing the clock spring, the air bag has to be removed first from the steering wheel. I never did one on a Cadillac, but if it's like most cars, there is a nut to remove, then you need a steering wheel puller to remove the steering wheel. By this time you will have unplugged the air bag and cruise control and horn switches. Those wires come out of the clock spring housing. The housing is usually snapped in place with plastic fingers. The easiest way to see how they come off is to have the new one in hand to look at. I tried finding a picture of the part but didn't have any luck.

The wire for the air bag connects to the clock spring with a bright yellow connector. On some versions it is plugged into the backside of the clock spring housing. On other models it is a long wire that has to be pulled down the steering column and connects under the dash. I'm more familiar with the Chrysler products. Some of their older ones are like that. The connectors fit through a tube easier than you would expect, but I like to attach a pull-wire to the old connector, then when you pull it out, the pull-wire will be there to pull the new connector down.

For liability the service manuals always tell you to disconnect the battery before removing the air bag from the steering wheel, then wait two minutes for the storage capacitors in the computer to discharge. Once the air bag or any bright yellow connector in the system is disconnected, a shorting bar engages to connect both terminals so the air bag won't pop from static electricity. I've disconnected dozens of air bags without disconnecting customers' car batteries, but I understand how hard it is to accidentally deploy an air bag, and I know the precautions to follow. For a do-it-yourselfer, I recommend following the service manual procedures just to be safe.
Oct 26, 2020 at 12:25 PM (Merged)
Avatar
SEAN03
  • MEMBER
  • 523 POSTS
I Am showing 4 pictures. They are front and back of them. So it is actually only two. Is one of the two the clock spring. Thanks.
Oct 26, 2020 at 12:25 PM (Merged)
Avatar
CARADIODOC
  • CERTIFIED EXPERT
  • 34,308 POSTS
The two photos on the left are of the clock spring. The two on the right are the turn signal switch.

I don't see any electrical connections for the horn or cruise control switches. Thinking back, GM used to put the cruise control switches on the turn signal lever. I'm sorry I didn't think of that sooner. As I recall, the windshield washer button on the end was a high-failure item so there were aftermarket companies making replacement switches. You could find them at almost any auto parts store and they weren't real expensive.

You can likely find a used switch assembly to try at any salvage yard. The switch pulls straight out away from the steering column. Just give it a tug. There will be some wires that pull out with it. That small harness has to be unplugged down at the base of the steering column under the dash. It will not have a regular plastic connector body like you're used to seeing. The connector is actually a small piece of double-sided circuit board, about 1/2" by 3/4" and will be slid into a regular connector. There should be a thin plastic finger on the connector to lift up, then the board will slide out.

Plug the replacement switch into the connector on your car to try it. If it solves the problem, you'll see a small hole in the board. That is to attach a thin wire, then when you pull the old harness out, that wire will come along and can be used to pull the replacement harness back down inside the column.

The good news is the clock spring is not involved with this problem, but I don't see where the horn wires go through it. I added a red arrow to point to one end of the ribbon cable. You can see it through the rear cover. I'm more familiar with Chrysler clock springs. The housings look almost identical but the rear cover can be removed with tiny screws, and they have the connector for the horn and cruise switches. This one is sealed by melting over the plastic pins on the cover. It looks like this ribbon cable is fully wound up. The Chrysler units are locked in the centered position. They have two buttons that are pressed down to unlock it by the steering wheel when it is installed. The lock on this one might be that bright yellow spring-loaded lever to the left of my red arrow.

The green arrow points to the air bag connector. It is bright yellow signifying it's in the "initiator" circuit. That's the circuit that sends the voltage pulse to fire the air bag. Chrysler also calls that the "squib". I don't know if that's an industry-standard term. Most manufacturers state to replace the clock spring when a deployed air bag is being replaced because that connector is usually melted from the heat of the burning rocket fuel.
Oct 26, 2020 at 12:25 PM (Merged)
Avatar
SEAN03
  • MEMBER
  • 523 POSTS
Hey cadieman. I worked on the cruise control today. I put the switch back in and connected it. I made it to where you cannot blow through it unless you toch the brake. The yellow cruise light still does not come on. What do I need to do now. Will the yellow light come on if I drive it or should it come on when I start it up. The cruise on the lever is set to on but the light wont come on. At one point this car was broken into. Some one tried to steal it but couldnt. They tore a bunch of wires out under the steering colum. We had to buy a new collum and ignition cylinder because they broke that to. Thanks.
Oct 26, 2020 at 12:25 PM (Merged)
Avatar
CADIEMAN
  • CERTIFIED EXPERT
  • 3,544 POSTS
go to the servo unplug the large hose. can u blow through it?
Oct 26, 2020 at 12:25 PM (Merged)
Avatar
SEAN03
  • MEMBER
  • 523 POSTS
No I can't
Oct 26, 2020 at 12:25 PM (Merged)
Avatar
CADIEMAN
  • CERTIFIED EXPERT
  • 3,544 POSTS
ck. the power on the lever connecter for the cruise.if nothing find the lever harness where it comes out the lower column and test it for power.
Oct 26, 2020 at 12:25 PM (Merged)
Avatar
SEAN03
  • MEMBER
  • 523 POSTS
hey I checked it again the red and blue wire where it plugs in has power. However the green and yellow wire has no power. Here is some pics of what I am testing. Thanks
Oct 26, 2020 at 12:25 PM (Merged)
Avatar
CADIEMAN
  • CERTIFIED EXPERT
  • 3,544 POSTS
lift the front wheels. turn on the switch on.when u get to 30 mph set the cruise.ck there is power on the green or yellow wires when u hit the set button.then ck.and see if the servo seloniod gets power when u set it.if there is power replace the seloniod.
Oct 26, 2020 at 12:25 PM (Merged)
Avatar
SEAN03
  • MEMBER
  • 523 POSTS
I do this in drive. Also where is the servo seloniod. I can't check the green or yellow wires without disconnecting the clip is their another way to check this. Thanks
Oct 26, 2020 at 12:25 PM (Merged)
Avatar
CADIEMAN
  • CERTIFIED EXPERT
  • 3,544 POSTS
the seloniod is on the servo. youll see a seloniod with a 2 wire connecter and a vacuum line to it.make sure their is vacuum on that line.lift the car and when u go over 30 mph.set the cruise and make sure its sending voltage to the seloniod when u set the cruise.
Oct 26, 2020 at 12:25 PM (Merged)
Avatar
SEAN03
  • MEMBER
  • 523 POSTS
Hey I could not find the seloniod on the servo. Here are pictures maybe you can help me. Is the seloniod under the hood or is it inside the car. Would you know where it sits. I have looked all over for it. Thanks for helping so much.
Oct 26, 2020 at 12:25 PM (Merged)
Avatar
CADIEMAN
  • CERTIFIED EXPERT
  • 3,544 POSTS
im sorry but there to many things and circuts that have to be cked.it makes it hard for me to help anymore.
Oct 26, 2020 at 12:25 PM (Merged)
Avatar
SEAN03
  • MEMBER
  • 523 POSTS
On my 1992 Cadillac deville. Me and my neighbor tried to pull a vacuum on the cruise control servo. The reason we did this is because the cruise control light won't come on or work. When we pulled the vacuum on it it read 0. We thought that was strange. We took the hose off the servo and I held my finger on the hole. It pulled the vacuum. Would the servo cause the cruise control not to work. Thanks.
Oct 26, 2020 at 12:26 PM (Merged)
Avatar
CADIEMAN
  • CERTIFIED EXPERT
  • 3,544 POSTS
does the yellow light come on then turn green when u engage?
Oct 26, 2020 at 12:26 PM (Merged)
Avatar
CADIEMAN
  • CERTIFIED EXPERT
  • 3,544 POSTS
try lifting the brake pedal with your foot.will it engage then?
Oct 26, 2020 at 12:26 PM (Merged)
Avatar
SEAN03
  • MEMBER
  • 523 POSTS
No It doesn't. The light doesn't come on at all. I replaced the turn signal lever and it did not work. I looked at all the wiring didn't see anything wrong. A long time ago when it worked. The car radiator got overheated. We went to a gas station and the had the water hose. My dad turned the engine off and let it sit for 10 to 15 minutes. When he opened the hood and took the cap off it blew up in his face. He had 3rd degree burns. Ever since then it hasn't worked. Any idea. Thanks.
Oct 26, 2020 at 12:26 PM (Merged)
Avatar
CADIEMAN
  • CERTIFIED EXPERT
  • 3,544 POSTS
remove the lever connector ck for power on the pins where it plugs in.do u have power?
Oct 26, 2020 at 12:26 PM (Merged)
Avatar
SEAN03
  • MEMBER
  • 523 POSTS
How do I check for power do I use volts or ohms. Also the lever connector is that the turn signal lever. Thanks. I just want to make sure we are on the same page.
Oct 26, 2020 at 12:26 PM (Merged)
Avatar
CADIEMAN
  • CERTIFIED EXPERT
  • 3,544 POSTS
volts and yes
Oct 26, 2020 at 12:26 PM (Merged)
Avatar
SEAN03
  • MEMBER
  • 523 POSTS
Does the car need to be started or does it need to be off to check the volts.
Oct 26, 2020 at 12:26 PM (Merged)
Avatar
SEAN03
  • MEMBER
  • 523 POSTS
I have a 1992 cadillac deville. My cruise control won't work at all. When I move it to on the cruise light does not come up. When I try to set it it does not set at all. Thanks for any help.
Oct 26, 2020 at 12:26 PM (Merged)
Avatar
BILLYMAC
  • CERTIFIED EXPERT
  • 2,204 POSTS
Hi the cruise has several things to operate it first go under the hood find the cruise sevo this will have a cable going from it to the throttle same as the accel pedal.make sure the cable is connected to the throttle not broken if ok. look at the electrical plug where it plugs into the servo make sure it is secure and has no corrosion or breaks.

at the servo there is a vacum hose make sure this hose is connected to the eng and the servo if yes start eng remove vacum hose from servo make sure it has vacum coming through the hose.if yes plug back in.

under dash at upper brake pedal you will see two switches mounted on the brake pedal some cars only have one one is for your brake lights one is to shut off cruise when you hit the brake.make sure the switches are working.

before you do any of this be positive all fuses are good. good luck
Oct 26, 2020 at 12:26 PM (Merged)
Avatar
CADIEMAN
  • CERTIFIED EXPERT
  • 3,544 POSTS
off
Oct 26, 2020 at 12:26 PM (Merged)
Avatar
CADIEMAN
  • CERTIFIED EXPERT
  • 3,544 POSTS
sorry the key needs to be on to ck those pins for power.before that lets check the cpu for cruise codes.push off and warmer on the a/c panel.when u see all segments light release.then write the codes down.we will be here.
Oct 26, 2020 at 12:26 PM (Merged)
Avatar
SEAN03
  • MEMBER
  • 523 POSTS
Ok their are no codes on it. I have done this before. I just checked no codes. Thanks. When I check those pins how many volts should it read. Thanks. The car needs to be started or do I just turn the key. Thanks.

Oct 26, 2020 at 12:26 PM (Merged)
Avatar
CADIEMAN
  • CERTIFIED EXPERT
  • 3,544 POSTS
that is good u know how oper. the cpu some.they are not pins its the flat circut board ck the sodered lines on the board for 12v on one pin.?use the a/c fan speed the low is no and the hi is yes.hit low until u see bcm inputs? then hit high for yes.then keep hitting low button for no until u start seeing c/c on and off,c/c set,c/c coast and resume.it will say all these on the a/c panel.like cruise set with a 0 next to it.when u hit the set button the 0 will turn into a x and back to a 0 when u release it.this will test all the switch opers.tohelp u check all the switchs or 1 thats not working
Oct 26, 2020 at 12:26 PM (Merged)