Sunday, January 8th, 2023 AT 8:07 PM
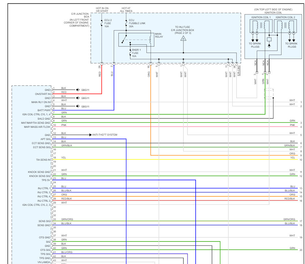
I replaced the engine; the car started and ran as if the throttle was wide open, and I cut the car off and started it again and it did the same thing. I adjusted the throttle and cleaned the throttle body with carburetor and throttle body cleaner, and it has not started since. I have checked. It's getting fuel the timing belt is good. I replaced the crank sensor and checked the fire to the crank sensor and the injectors and the fire to the coil packs. Fire to the coil but no fire from the coil to the plugs.









