Sunday, March 1st, 2020 AT 3:17 PM
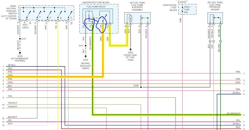
I drove the car, parked at home and when I tried to start, I could not. So I decided to do a little upgrades in the van (I have not done anything since I bought the van a year ago). So I replaced the spark plugs, wires. Here is more info about my situation: something when I drive it will shutdown out nowhere. I lose power and everything goes dark, so I open the hood move my battery back and forward and I get power again, I go back to my van and crank, start without any problem. This has been going for about 3 months, well now I park the van and it will not start. I tested the ECM B fuse. And the fuel pump relay and they are both good. I can hear the pump when I turn the key on I confirmed there is 12 volts power and good ground. Here is where I need help. I keep hearing about the computer needs a RPM signal. Where this signal is coming from? Also there are 4 wires at the pump, gray (power) black(ground) purple? And orange? What are the purple and orange for? I am looking for that darn rpm signal and I do not where to start. Any help, tips for this? Thank you very much.












