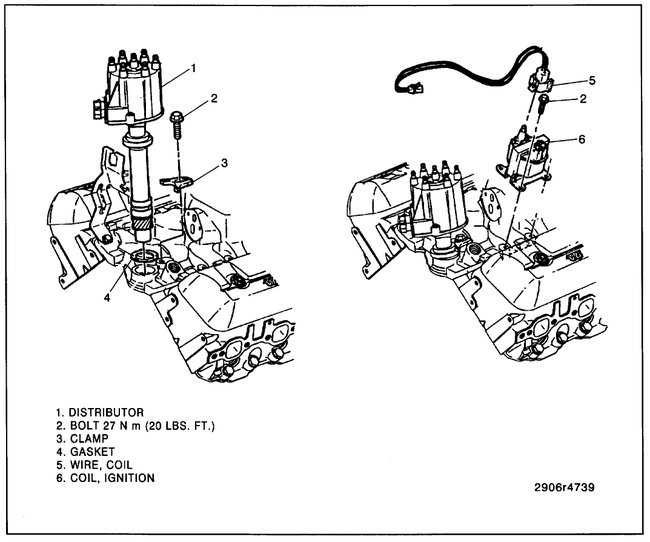
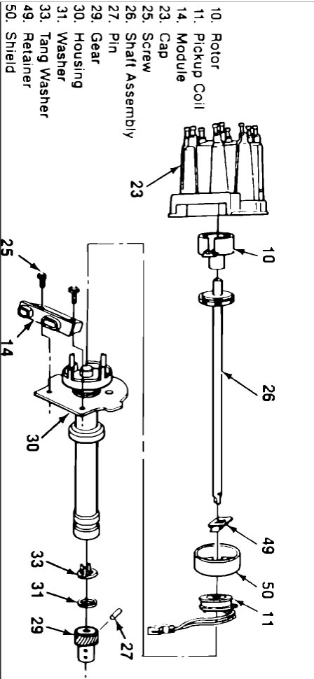
Tuesday, July 31st, 2007 AT 11:16 AM
I was driving on the highway when all of a sudden it just died. I got it towed back to my house were I discovered that there was no spark coming from the coil but and power. So I went to the parts store a got a new coil, started right up I was stoked. It ran for about 20 min then died, same thing no spark. So I went back to the parts store got a new coil, rotor cap, and a rotor came home installed them still no spark at the coil. Ive checked to make sure the coil is getting the right amount of power and it is, just nothing coming out. I don't know what would cause this I checked all the fuses and even put in a new fuel pump relay please help!






