Then slowly to 11 volts and then 9 volts and then the vehicle stops running.
Charge battery again and then starts and runs and repeats same thing.
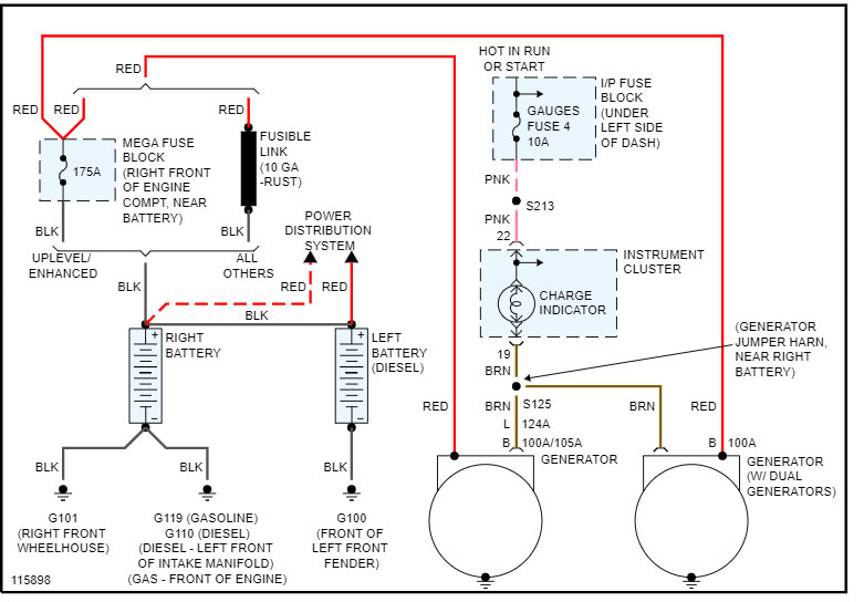
Voltmeter test reading when truck running is same as battery voltage and not going up at all to 13 or 14v as it should.
The battery light in truck dash stays on permanently. The alternator lug on top has same reading as battery voltage, assuming the fuse able link is good then. As there is no difference in voltage. Would this conclude it’s a bad alternator/ voltage regulator? Could there be a peristatic draw in alternator?
Any suggestions appreciated.
Saturday, August 6th, 2022 AT 8:14 PM











