Monday, February 5th, 2024 AT 9:08 AM
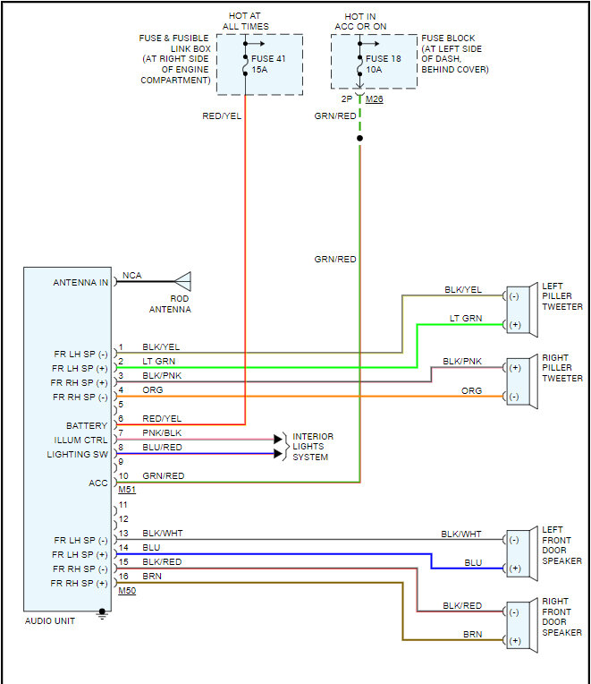
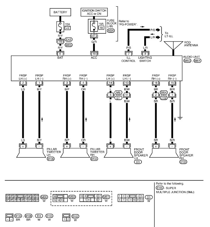
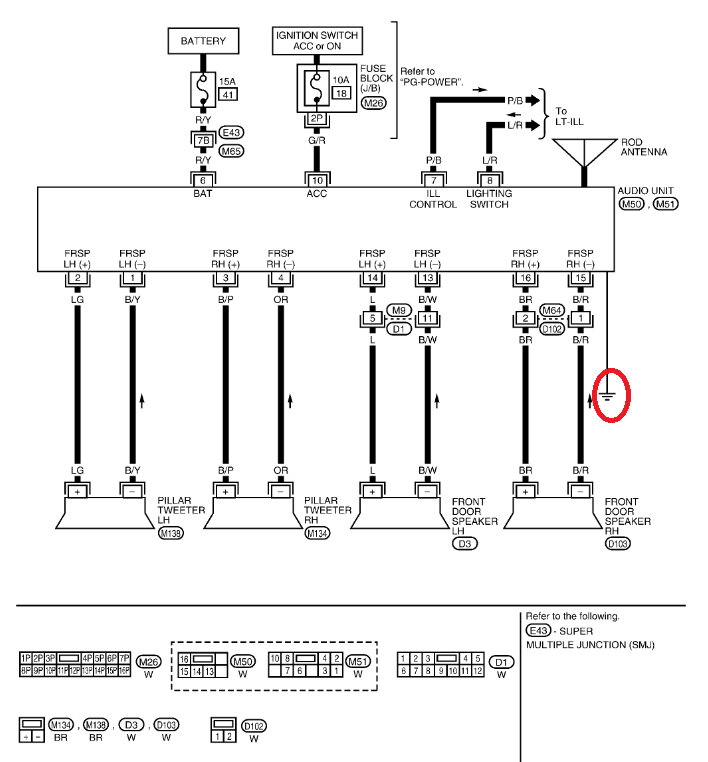
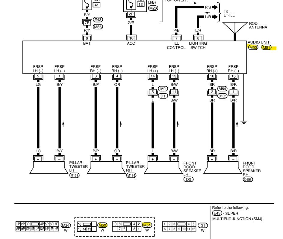
I bought an aftermarket head unit because the stock one had no Bluetooth or aux and that is a must for me. I had recently installed dual 12s and wired those correctly so I'm familiar with wiring in this specific vehicle. I cut the wires from the stock head unit harness and spliced them with the wires from the new harness and head unit. I didn't buy a harness adapter or anything like that so it's straight from stock wires to aftermarket wires. The new head unit turns on and works perfectly, yet there is no sound. I'm certain that I've wired everything correctly because I have triple-checked the wires. I'm just trying to figure out why there is absolutely no sound coming from this new HU.













