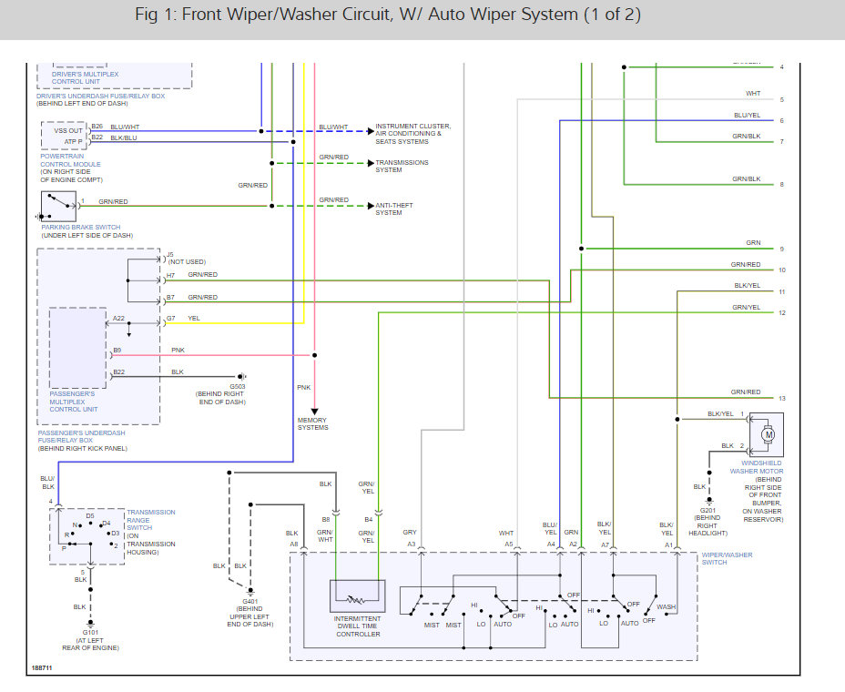
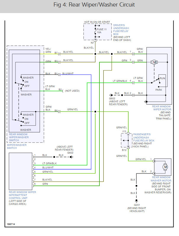
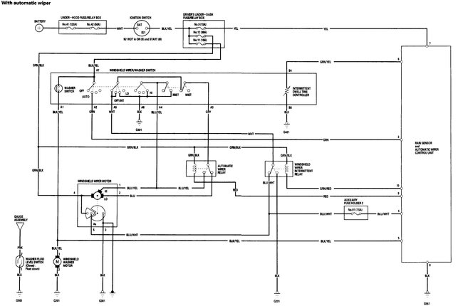
My rear wiper, both windshield wiper pumps, and the front windshield wiper intermittent function do not work. Its seems odd that all these would go out at the same time. Has anyone ever had the same problem or know what I should to try and solve it?
I checked the fuses, they seemed OK but I've heard that some may have been mislabeled so if correct, who knows what fuse to look at. Yes it has rain sensing automatic wipers. Any help would be greatly appreciated.
Anyway, would appreciate your feedback.
Thanks, JW
Monday, March 16th, 2009 AT 12:55 PM
















