Hi,
Front brake pads and rotors really aren't too hard to do. If you do it yourself, make sure to purchase lifetime parts so you'll never have to pay for the parts again.You can expect brake pads to last approximately 25,000 miles. However, that can change based on terrain and driving habits. To start, here is a link that shows in general how it's done. You can use this as a guide: Check out the diagrams (Below).
https://www.2carpros.com/articles/how-to-replace-front-brake-pads-and-rotors-fwd
Here are the directions specific to your vehicle. The pics below correlate with the directions.
REMOVAL
NOTE: Before proceeding, Refer to Service Precautions.
1. Raise and support the vehicle.
NOTE: Perform Step 2 through Step 5 on each side of the vehicle to complete pad set removal.
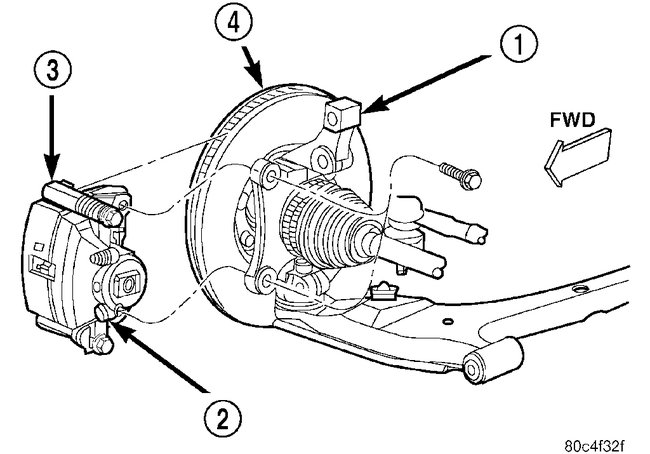
2. Remove the wheel mounting nuts (3), then the tire and wheel assembly (1).
3. Remove the two brake caliper guide pin bolts (4).
4. Remove the disc brake caliper from the disc brake adapter and hang it out of the way using wire or a bungee cord. Use care not to overextend the brake hose (1) when doing this.
5. Remove the brake pads (2, 3) from the disc brake caliper adapter (4).
CLEANING
WARNING: Dust and dirt accumulating on brake parts during normal use may contain asbestos fibers from production or aftermarket brake linings. Breathing excessive concentrations of asbestos fibers can cause serious bodily harm. Exercise care when servicing brake parts. Do not sand or grind brake lining unless equipment used is designed to contain the dust residue. Do not clean brake parts with compressed air or by dry brushing. Cleaning should be done by dampening the brake components with a fine mist of water, then wiping the brake components clean with a dampened cloth. Dispose of cloth and all residue containing asbestos fibers in an impermeable container with the appropriate label. Follow practices prescribed by the Occupational Safety And Health Administration (OSHA) and the Environmental Protection Agency (EPA) for the handling, processing, and disposing of dust or debris that may contain asbestos fibers.
INSPECTION
Visually inspect brake pads for uneven lining wear. Also inspect for excessive lining deterioration. Check the clearance between the tips of the wear indicators (if equipped) on the pads and the brake rotors.
If a visual inspection does not adequately determine the condition of the lining, a physical check will be necessary. To check the amount of lining wear, remove the disc brake pads from the calipers.
Measure each brake pad. The combined brake pad and its lining material thickness should be measured at its thinnest point. For front disc brake pads, when a set of brake pads are worn to a thickness of approximately 7.95 mm (5/16 inch), they should be replaced.
NOTE: It is important to inspect both front and rear brake pads during the same inspection. Typically, front and rear brake pads wear out at the same time.
Replace both disc brake pads (inboard and outboard) on each caliper. It is necessary to replace the pads on the opposite side of the vehicle as well as the pads failing inspection.
If the brake pad assemblies do not require replacement, be sure to reinstall the brake pads in the original position they were remove from.
INSTALLATION
NOTE: Perform Step 1 through Step 5 on each side of the vehicle to complete pad set installation, then proceed to Step 6.
NOTE: Inboard brake pads are not identical side-to-side. This is due to placement of the audible wear indicator on the end of each inboard pad. Make sure that the audible wear indicators are placed toward the top when the inboard pads are installed on each side of the vehicle.
1. Place the brake pads (2, 3) in the abutment shims (5) clipped into the disc brake caliper adapter (4) as shown. Place the pad with the wear indicator attached on the inboard side (2).
2. Completely retract the caliper piston back into the bore of the caliper.
CAUTION: Use care when installing the caliper onto the disc brake adapter to avoid damaging the boots on the caliper guide pins.
3. Install the disc brake caliper over the brake pads on the brake caliper adapter. Make sure the springs (1) on the pads do not get caught in the hole formed into the center of the caliper housing.
4. Align the caliper guide pin bolt holes with the guide pins. Install the caliper guide pin bolts (4) and tighten them to 35 Nm (26 ft. lbs.).
5. Install tire and wheel assembly (1). Install and tighten wheel mounting nuts (3) to 135 Nm (100 ft. lbs.).
6. Lower the vehicle.
7. Pump the brake pedal several times before moving the vehicle to set the pads to the brake rotor.
8. Check and adjust the brake fluid level as necessary
9. Road test the vehicle and make several stops to wear off any foreign material on the brakes and to seat the brake pads.
Check out the diagrams (Below). Please let us know what happens.
Images (Click to enlarge)
Apr 14, 2021 at 12:13 PM
(Merged)