My vehicle listed above (Green Line) was partially flooded recently. The water never got above two-thirds of the tire height. It has been fully dried out and runs great (so far). All systems appear to be on-line, but the hood ajar switch is remaining on with a check engine. No codes are being thrown. Vehicle runs fine regardless.
Questions:
1) Can you describe how the voltage should be running through the switch connector during proper operation?
2) If I simply added a jumper across the connections, wouldn't I be able to bypass the switch? Tried it but it didn't work.
3) Is the switch, and the BCU logic, based simply on opening and closing the 12v circuit, or is there a current resistance component the keeps me from jumping the switch.
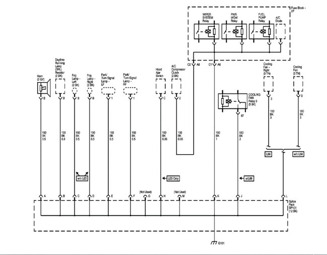
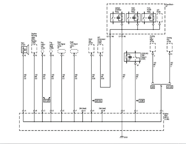
4) Is there any way you can shoot me good picks of the hybrid-specific wiring diagram, fuse boxes and any connections that I should know about? (The 2007 Vue manual doesn't cover the Green Line)
Thanks!
The hood switch connector image attached is from a Chevy diagram which I believe is the same. It looks identical to the one I am testing and referencing above.
Saturday, October 2nd, 2021 AT 3:56 PM







