Thursday, August 15th, 2013 AT 4:09 PM
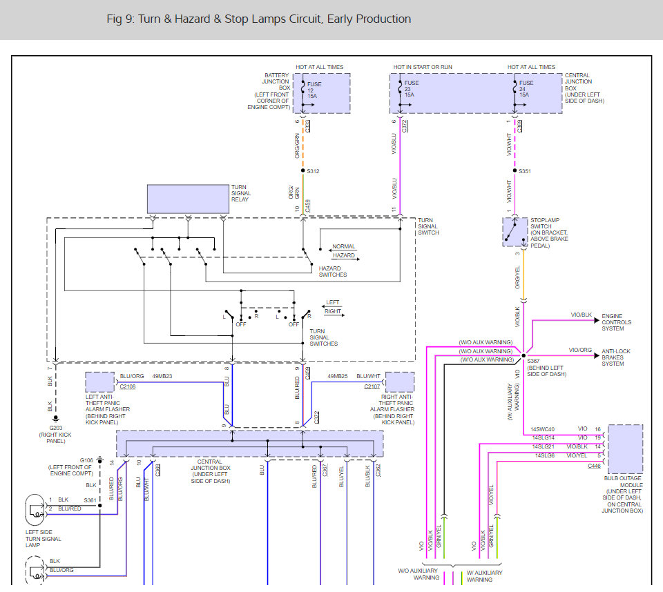
Turn signals do not work or blink or click. Bulbs replaced, fuse replaced, flasher, and turn signal switch. The hazard lights work. My high beams come on when I pull the switch towards me until I release it, as it should. But when I push the lever and it clicks in place the high beams do not come or stay on as they should. The indication light on the dashboard does not come on either. I'm guessing these two are linked



