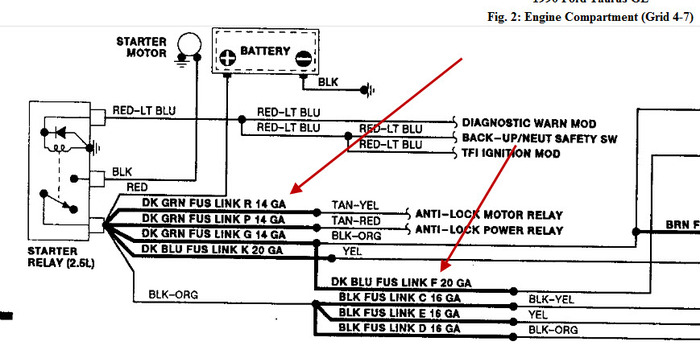
Checked spark- no spark and plugs wet (what happened?). Took the ignition control module to O'Reilly's- everything passed, rented OBD- no codes, looked up test for ignition coil and misread the test- bought a coil without need, bought plugs and wires, replaced all three, tried the test again-I get a light on my test light at the (+) wire to the coil and the (-) wire to the coil, however, when I crank the engine the test light does not flash as the test said it should when connected to the (-) wire of the ignition coil. So, I am told to check wiring from EEC to ign. Coil at the EEC looking for a constant light- couldn't identify wire and gave up on that. If the light had consant light the wire could be deemed ok and now the driver/transistor in the EEC would need to be looked into through examining the powers/ grounds to the EEC, but more probably the crankshaft position sensor and the camshaft position sensor and then the EEC itself.
This is where I am now. I want to test the two sensors and I want to know if I have properly narrowed the problem down to the sensors, EEC, and wires between them using the ignitiion coil test or if something else could be wrong like a problem in the distributor (PIP sensor?)
Monday, August 13th, 2012 AT 7:13 PM



