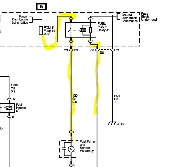
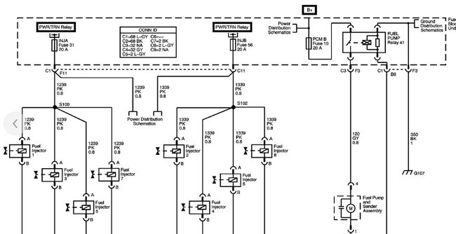
Sunday, June 2nd, 2019 AT 8:28 AM
Started having problems with truck not starting. Thought was battery, replaced battery an alternator. Would work fine for a day or so then it would start over just turning over like getting no fuel. Pull fuel pump relay an put back in starts right up. Replaced relay still having same problem. Have any suggestions what we should try next?












