Thursday, April 13th, 2017 AT 4:55 PM
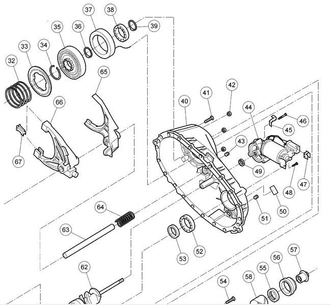
About six months ago my truck stopped going into four low and then about a month ago I could not get it to go into four high, the roads were very wet that night but the next day it was working fine again. Today I had it in four high and when I tried to switch back to two wheel drive there was two loud bangs and then a grinding noise. I put it in neutral and the grinding stopped and I turned it back to four high. Now no mater where I put the selector switch it stays in high and the four high light stays on. I had to drive it about five miles home and I could tell it was in four wheel drive as the pavement was dry and I could feel it binding. Three or four times on the drive home it made a very loud bang in the transfer case area. Also, the speedometer stopped reading correctly at the same time. I switched out the vacuum solenoid and relays and checked the fuses with no luck.


