Monday, January 8th, 2024 AT 9:50 AM
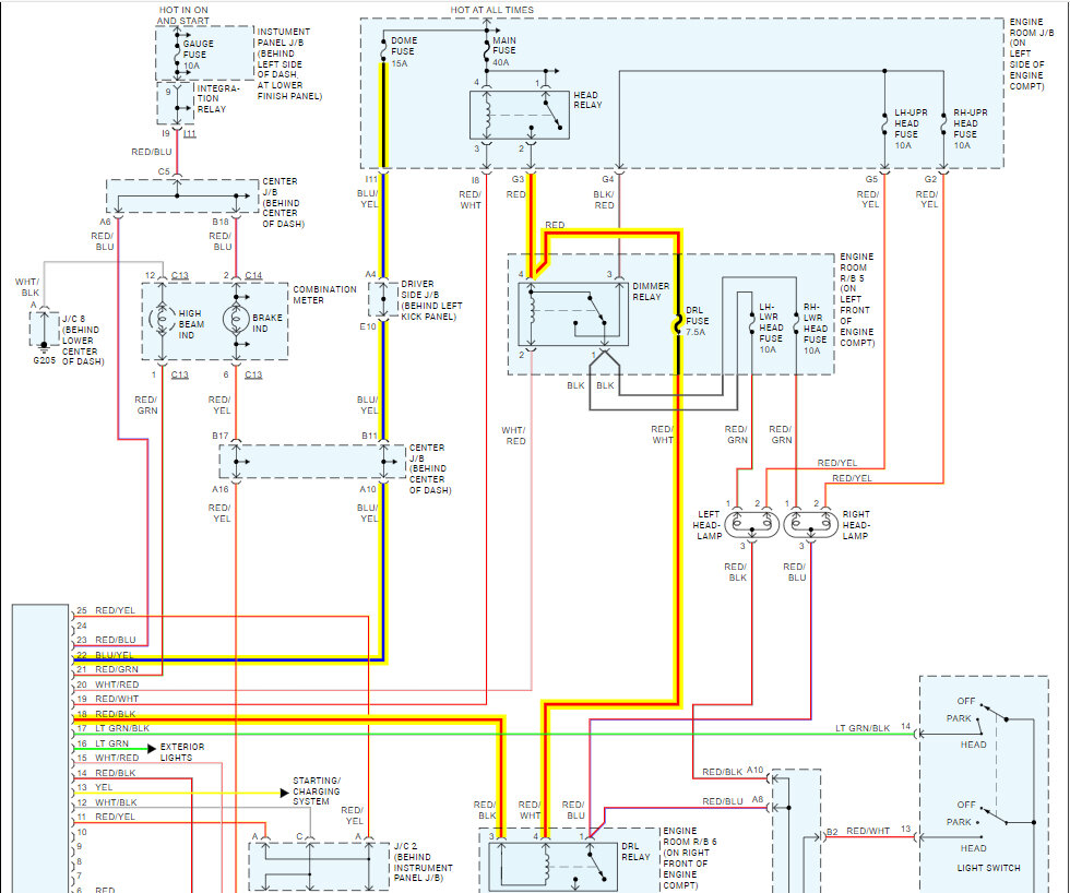
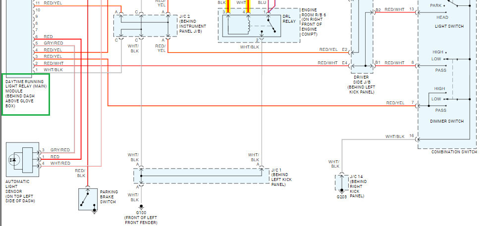
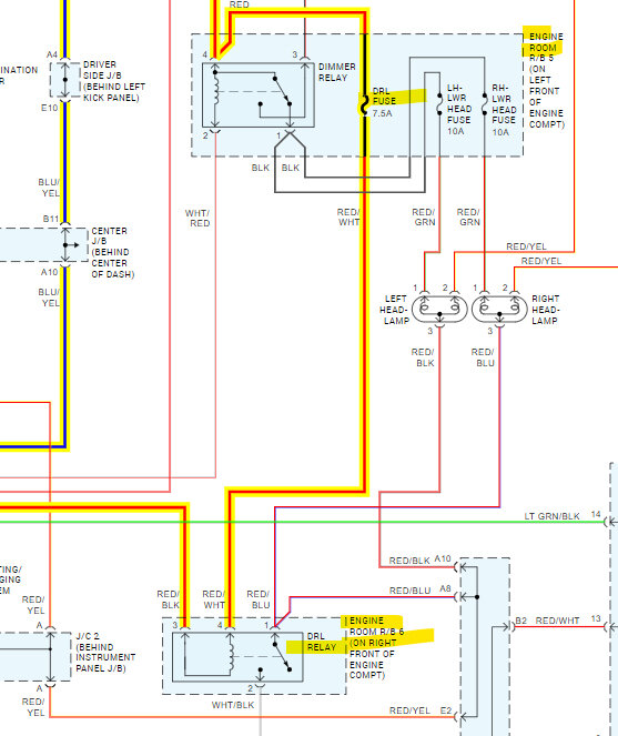
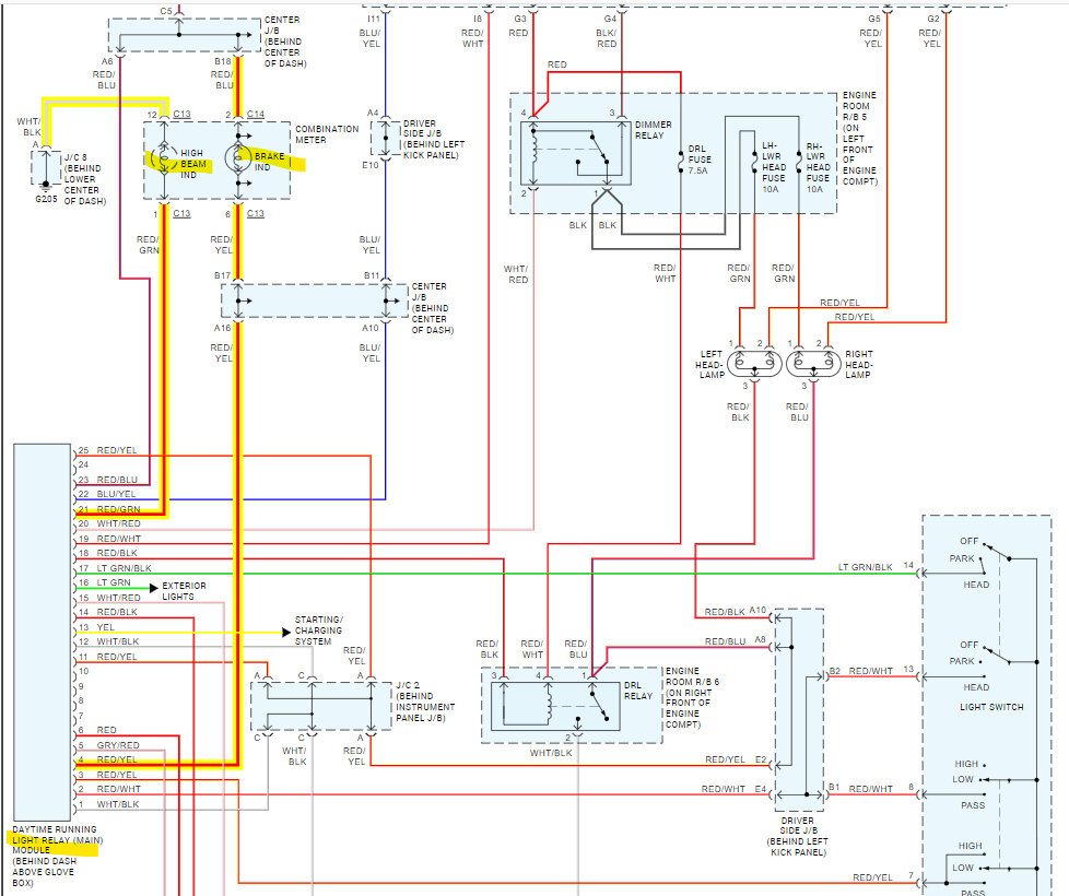
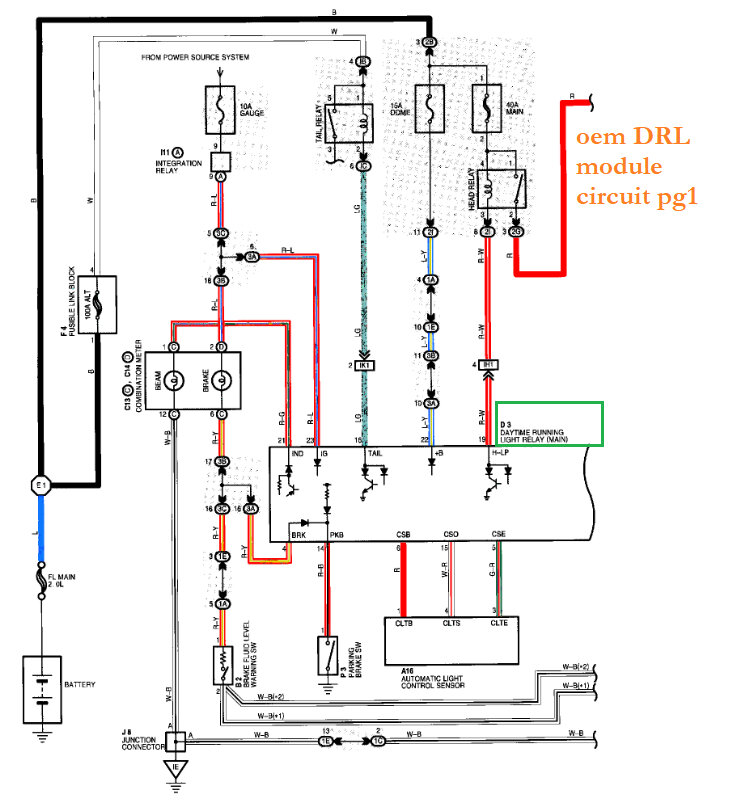
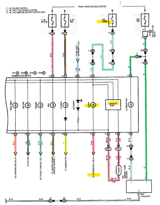
My new battery completely died after three months. I did a parasitic draw test and the multimeter read 0.25A. The fuse labeled as “DOME” dropped the Amp reading from 0.25A to 0.00A. I checked other fuses to see if there were changes but there weren’t. However now I don’t know how to check for the components as they aren’t “within hands reach”. I removed the detachable aftermarket radio. No change in Amps. The dome light was switched to off and the bulb was removed. No change. In fact, there was no change even with the light switched to on. The only change was when the door was open. Went from 0.25 to 0.35. There are no personal lights. There are no trunk lights. It’s a base CE model. There isn’t much. The theft system was disconnected years ago from under the dash. How do I check for DRLS and clock? Or how do I further test the other components? Please and thank you.






















