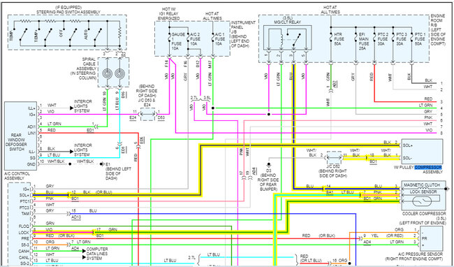
The vehicle had overheated, and the cylinder head gasket was replaced.
The air conditioner was functioning before the head gasket was replaced. The compressor comes on when the A/C is put on but there is no code air blowing out of the system. The refrigerate in the system is not low but when manifold gauge was used. As the compressor comes on, there is no pressure different at on the gauges.
The vehicle was scanned it bring code related to solenoid circuit. The air conditioner compressor was replaced and the compressor didn't comes on at all and the light on the A/C button started to blink continuously. Please could you help me with the complete circuit diagram of the Air conditioner.
Wednesday, March 15th, 2023 AT 6:59 PM





