Saturday, November 6th, 2021 AT 5:49 AM
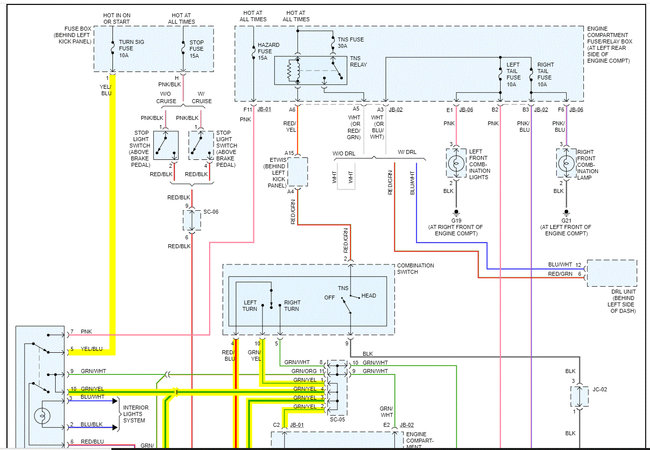
I have replaced the flasher relay twice. Still, I can only get the right turn signal to work, when I switch over to the left turn signal, I can still hear the flasher relay ticking but instead of illuminating the dash indicator or the turn signals on the exterior, it only dims the interior lighting.


