After that this is what I did:
#1 i check fuse wires ground visually everything looks good test light on main and all the fuse i thought was important.
#2 check for gas at plugs 1 3 5 all wet so i got gas cool.
#3 check fire at spark plug nothing i got fire till the ignition coil pack connector nothing after.
#4 look at crank shaft sensor position all i see is this pic 1 change to a new one from the top at night cell phone light minus 20 Canadian Celsius what an awkward place it was. still not the problem crank still no luck.
#5 changed coil pack not the problem at that point still no power past the new coil pack plug.
#6 change camshaft position sensor nope still need to throw part at it.
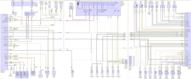
#7 open bottom of main fuses and relay box will provide more picture tonight phone was dead. yesterday some green corrosion starting to look for connection pack giving me false positive from top. i am not all done with this part, but yeah i got that diagram going to buy a Innova 3100 CanOBD2® Diagnostic Scan Tool/Code Reader with ABS. link: https://www.canadiantire.ca/en/pdp/innova-3100-canobd2-diagnostic-scan-tool-code-readerwith-abs-0251030p.0251030.html
Got this all ready pic 3 it connects good but since battery died lost check engines codes and now it connects to ECM but no codes guessing since not stating.
so now here i am my next step is buying a oscilloscope and check for sensor signal to ECM and voltage. i also found the Factory Workshop Manual for Hyundai Tucson v6 2.7l 2005 12,000 pages it does cover most Hyundai that used that motor through the years so here i am at a lost. I need help!
Ben
Monday, January 13th, 2020 AT 12:23 PM

















