Sunday, January 10th, 2021 AT 5:21 AM
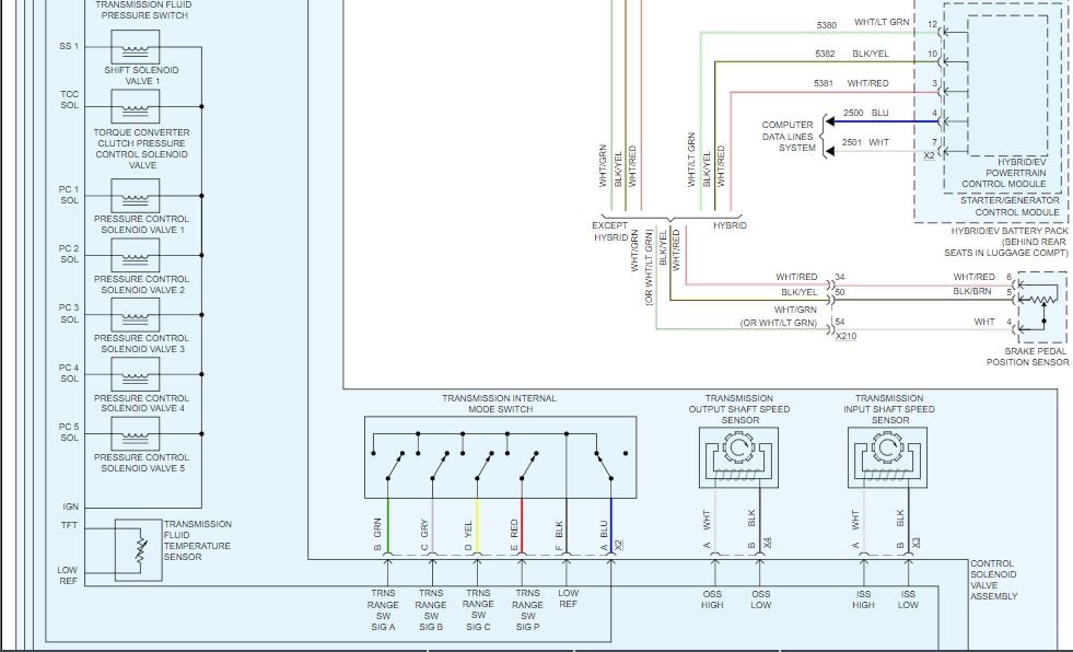
Recently my car's transmission light panel instead of showing the P R N D 1 2 M lights in normal colors they turn green and car does not drive. This does not happen every time and during driving if it happens the car loses power. Scanner gave faulty ground on harness and faults on all transmission modules. Got ground fixed and drove okay. Now after a week again it happens again green light on transmission panel and wont engage. Turn off and on then it will again engage. Can someone help with this or has somebody have this problem?















