Sunday, April 4th, 2010 AT 8:56 PM
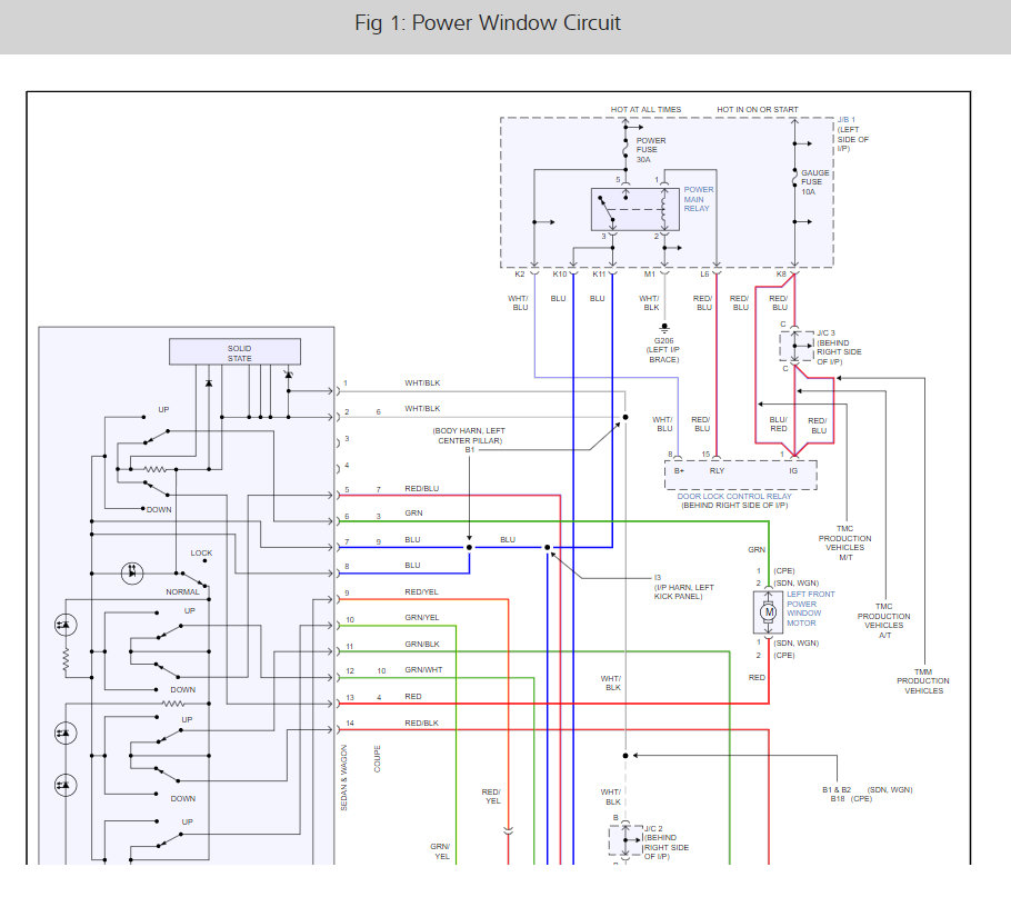
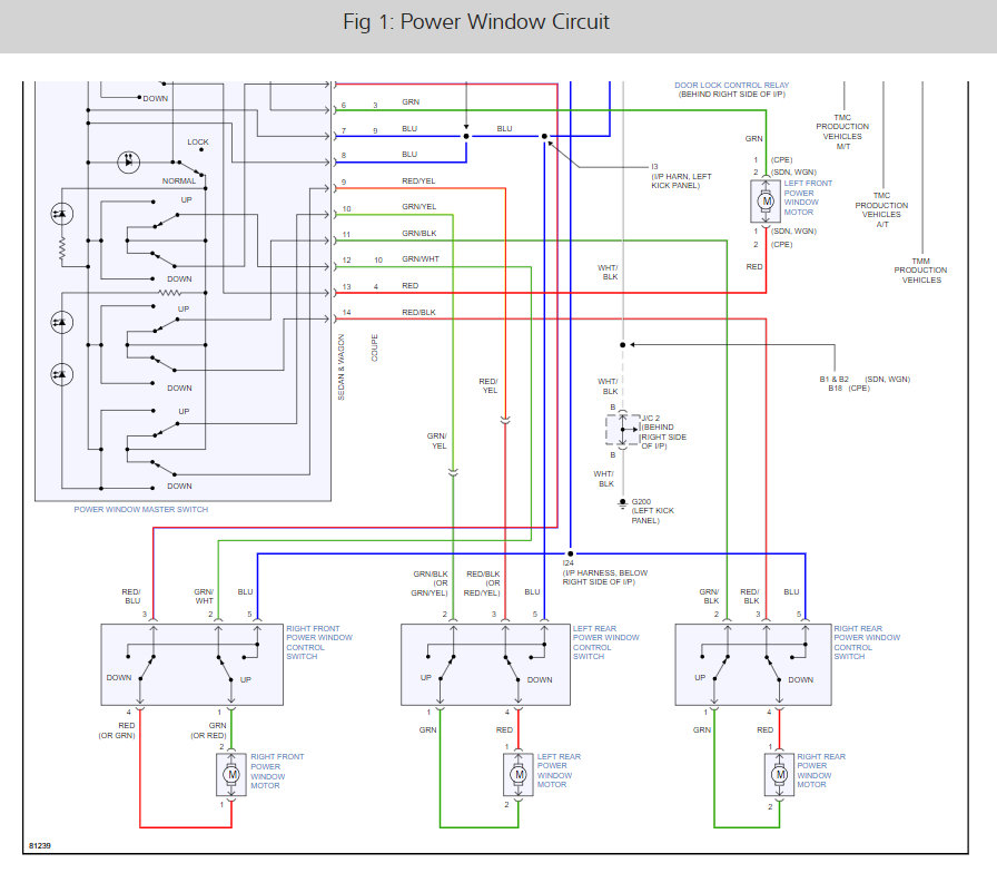
Couple of years ago rear left side power window stopped working. Since it was fully closed I didn't bother much. Now the rear right side stopped working, and window won't roll up! Thanks.









