Sunday, May 22nd, 2022 AT 7:28 AM
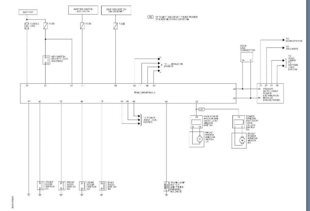
This car has keyless entry and its remote does not open or lock the car, even if the car key is inside the car. It does not get the signal unless you put it in the keyhole. I have changed the key fob battery, but it persists. Please, what should I do next? I have even programed the car key severally.





