Wednesday, November 16th, 2022 AT 10:09 PM
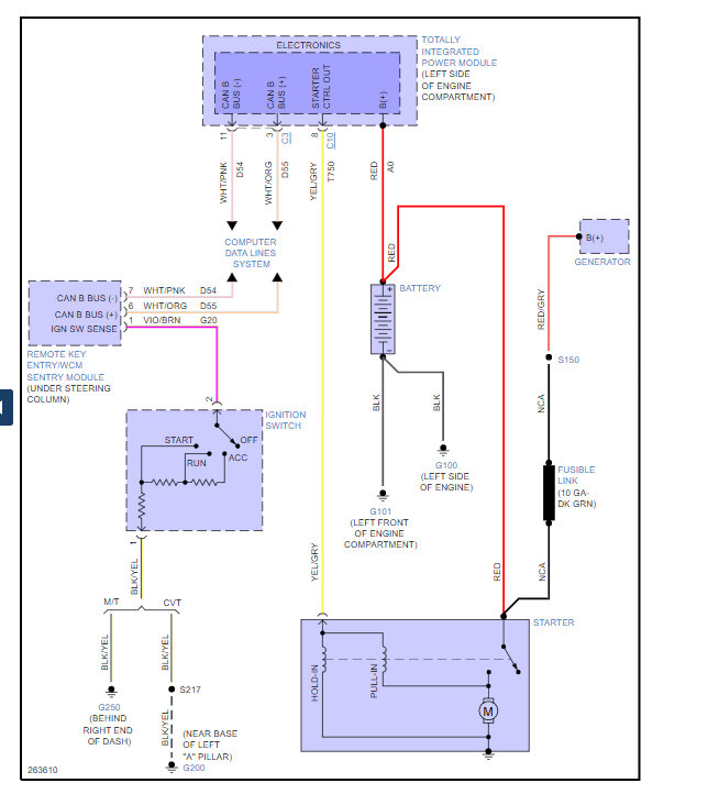
Hello here again, when I am driving, sometime the starter engages itself and to stop that, I have to pull over open the hood and disconnect the positive probe of the battery. How can I resolve that issue and please make sure that you provide me with a schematic diagram.







