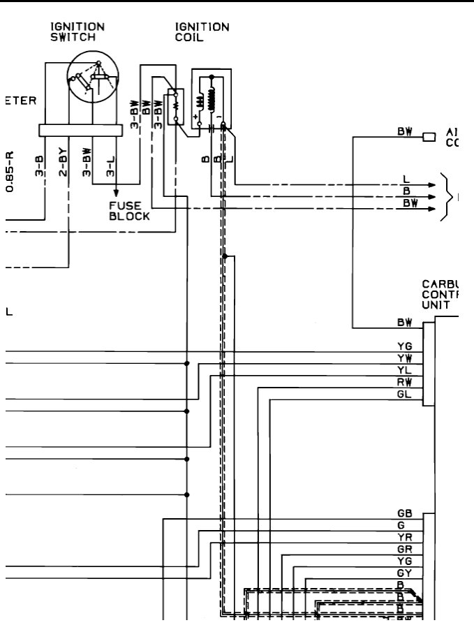
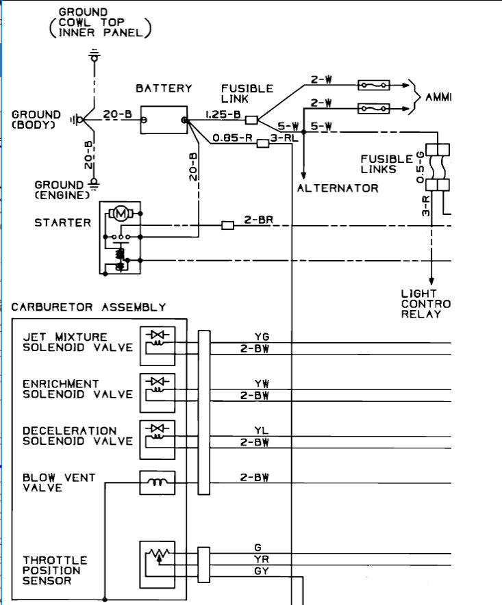
Should I check continuity from the ignition switch wires to the coil side of the wire. I have a rather large black wire with white stripe and a black with yellow stripe I think are the ignition start and run wires.
Plugs have no spark I could see when testing and I layered coil tower wire near a ground and no arc found. So I am lacking a twelve volt source to the coil from switch. Switch is relatively new.
I use to have a check list document on the steps to check this procedure, but have misplaced it. It showed how to check and determine the pinpoint problem by checking voltage in key on and off settings. Any help will be appreciated. Thank you
Sunday, November 26th, 2017 AT 1:41 PM








