Thursday, June 29th, 2017 AT 12:14 PM
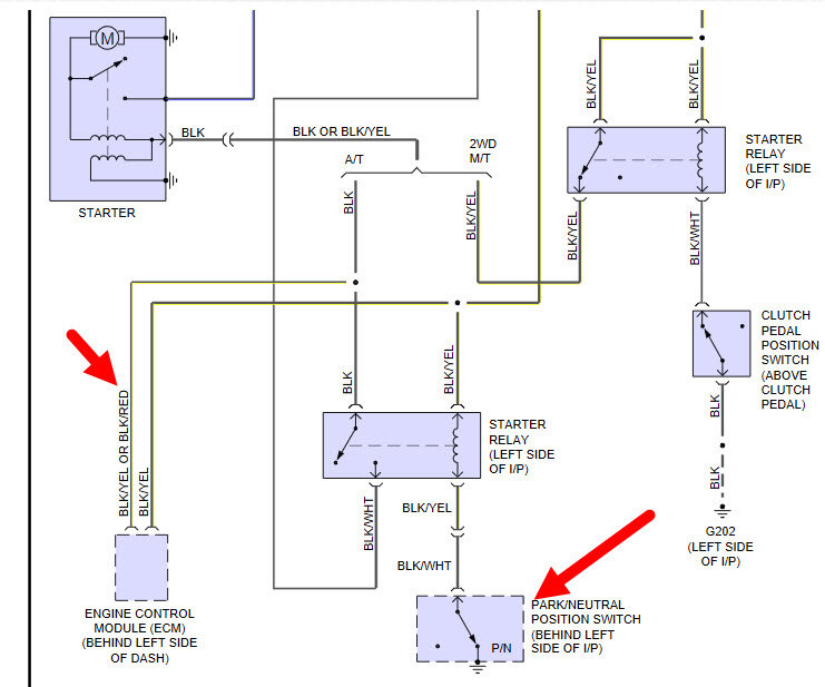
Starter is fried again after a year. Does a corroded ground strap or a internally bad starter cable cause a starter to overheat and go bad? I have tried to replace the starter from Auto Zone and it would only crank half turn with a brand new battery and stop. My technician replaced the starter from O'Reilly's two months later with their starter and it did the same thing. We ended up putting the original back in. It would click on the relays while playing with the ignition switch but it would catch and start. Now the starter is totally fried because we used a heavy cable from the new battery directly to the starter and it would not start. Frustrated!










