Saturday, June 10th, 2023 AT 9:22 AM
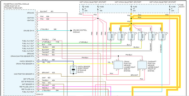
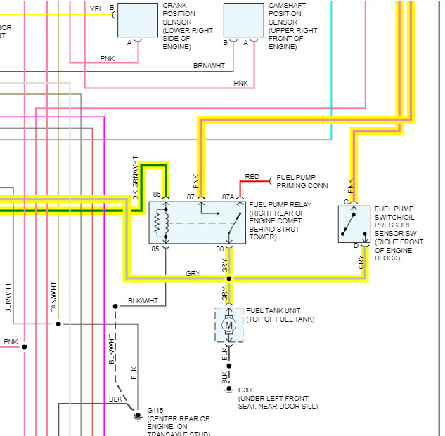
I was tracy around 35 the car doing great as always it all of sudden acted like it was running on one cylinder and say three to five seconds shut off. Once I got parked I tried to start it it sort of started it sounded again like one cylinder and seconds before shutting off. I'm normally good with these things. I've got fuel, thought fuel pump well it's pumping, but I have no gauge to check enough pressure. I hard reset it overnight still and starting I've been asking so I went looking for crankcase sensor. I've looked where YouTube told me it was. I can't find it, and everything told me behind the starter in the back side of the motor will my starter is in passenger to the front. As I look at the motor from the radiator, the starter is left side closet to the radiator that's left in front to me. Now I can't see nothing around behind or nothing where is it, please help and if you think something else is wrong, please help.















