Saturday, January 15th, 2022 AT 4:19 PM
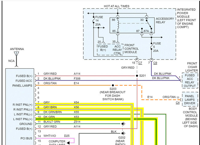
I installed an aftermarket stereo and speakers. My issue is trying to figure out the positive and negative of each speaker wire. My van has two dash and 4 door speakers. I'm going to be adding amplifiers, so just would like to make sure all wires are in the correct phase.










