The transfer case motor is the same as a Dorman 600-899.
I did find a set pf schematics here:
https://www.gmupfitter.com/files/media/photo/87/2007_LD_ElectricalPickupsChassisCabs.pdf
I would like to find a set of trouble shooting guides that will help me detect what is wrong, like bad grounds or broken wires. Simply knowing what conditions need to be set; like the key on and the switch in 2H. I should see such and such voltages on what pins. My scanner does not show any codes, but it is a Launch CRP123 CReader professional and may not show all the codes.
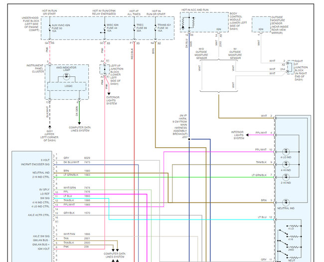
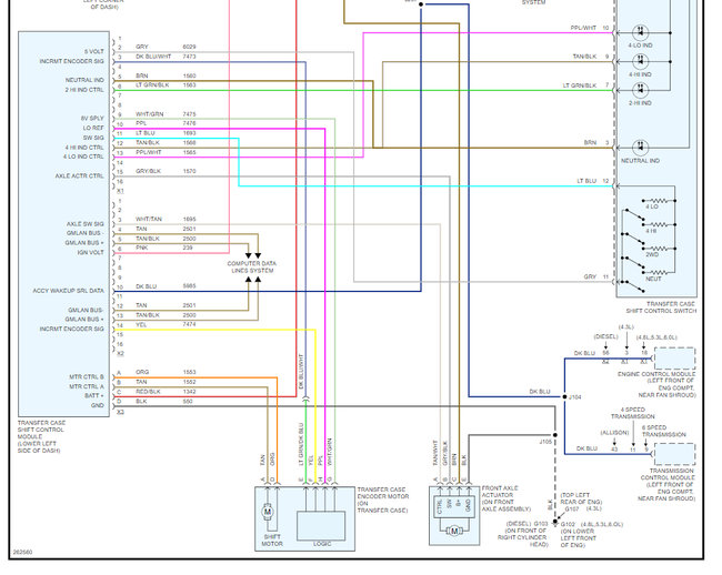
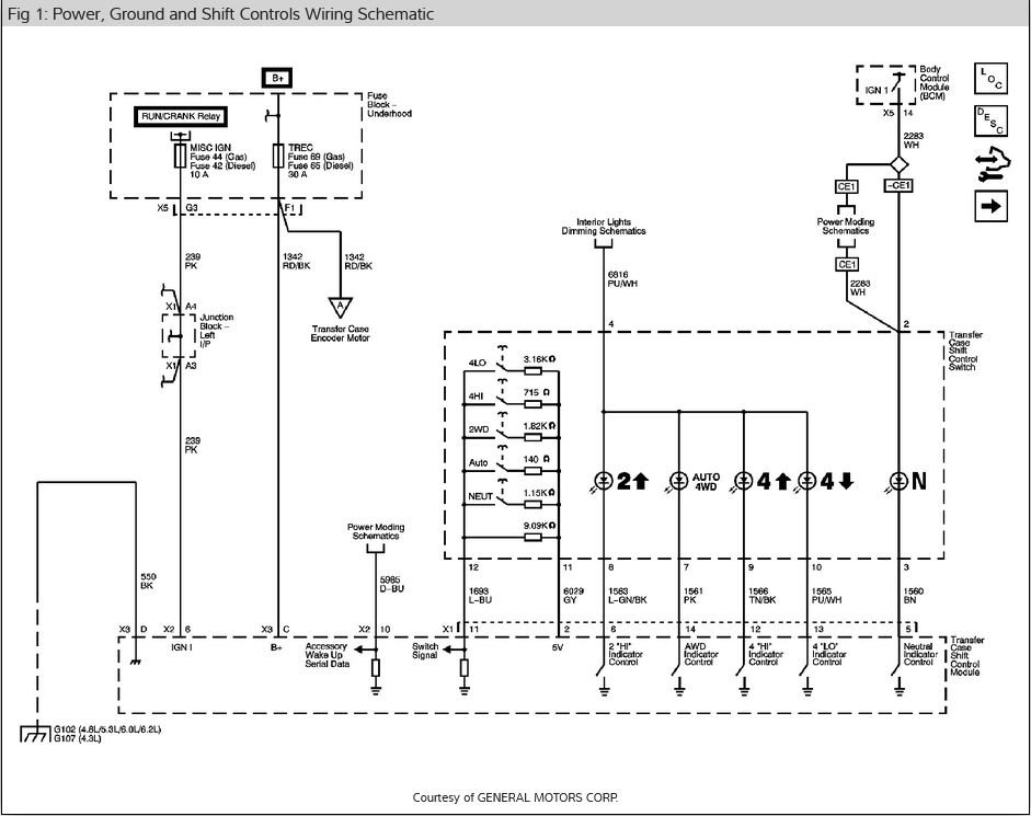
The switch schematic on page D-9 does not make any sense to me. The way it is wired will always give 5 volts no matter what position the switch is place in. The ground or signal line must be drawn in the wrong place. I think it is supposed to be a simple voltage divider.
Thank you for any help you can provide,
Fred
Wednesday, March 11th, 2020 AT 8:10 AM


















