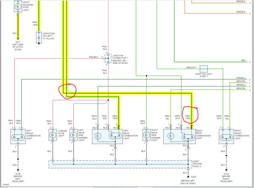
I have what seems to likely be a wiring related issue. My right brake light and parking light (same bulb) don't work at all. The right blinker light does work. I replaced the right brake light with a brand-new bulb and still got nothing. I also found out that the left brake light only comes on when the parking lights are turned on.
I haven't checked the fuses yet but it's likely not a blown "stop light" fuse because that would mean both lights wouldn't work. Also, there are a whole other slew of components tied to that fuse, and they wouldn't be working either.
I also think this rules out the brake pedal sensor for the same reason, since that would cause both brake lights to not work.
I bought a new brake light socket harness to replace the right side. I haven't tried this yet.
Friday, November 3rd, 2023 AT 8:20 PM



