Friday, September 28th, 2018 AT 11:02 PM
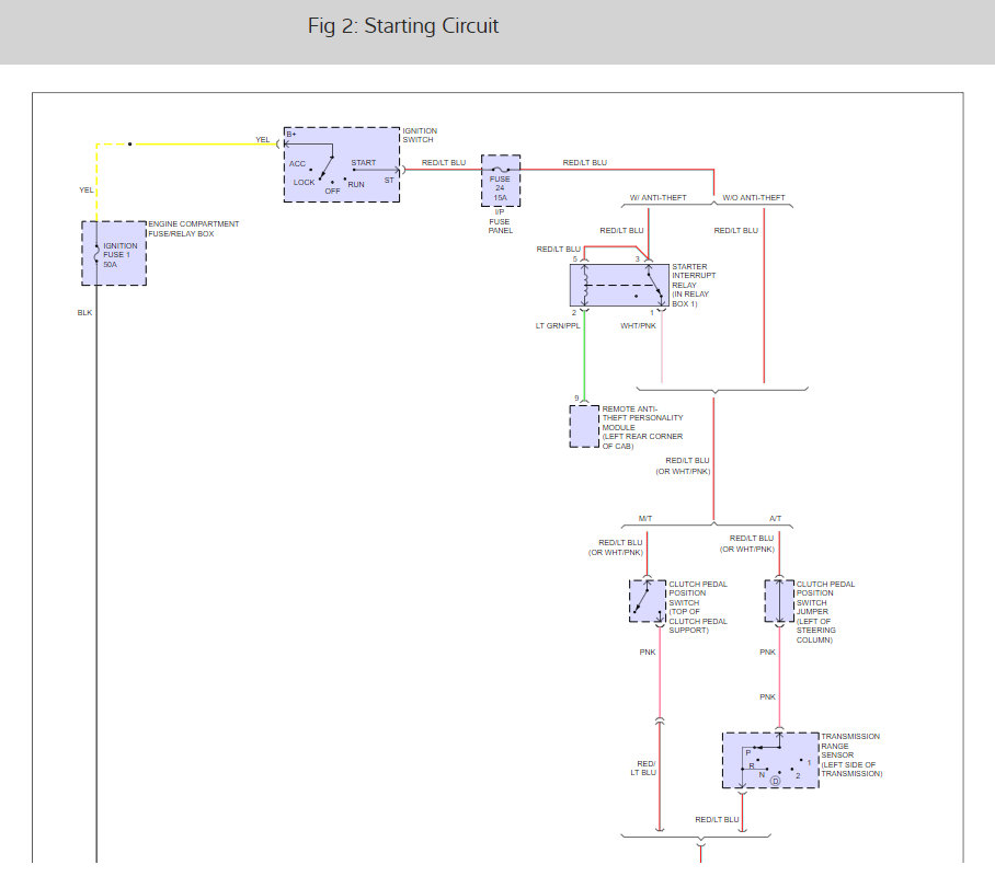
Replaced steering column in my truck it is a manual transmission. I got the other column out of a older Explorer. Everything bolted up. When I turn on the ignition switch the fuel pump does not come on and the relay does not click. Also I have 12 volts out of the red wire on the coil pack but no fire to the engine. So no spark and no fuel. Ran fine before changing the column and I used my old ignition switch on the new column. What am I missing?





